Paso 1: Conectar el dispositivo


Utilice los cables para conectar las partes como sigue:
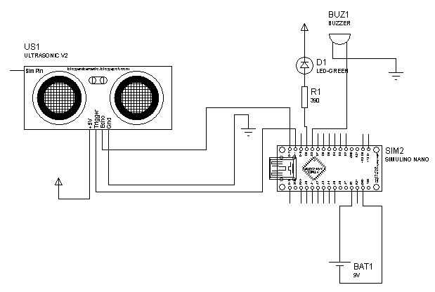
para el sensor de ultrasonidos:
Eco 12 pin a pin en el Arduino, Trig 11 pin a pin en el Arduino, Vcc a Vin, GND a GND
Conecte el zumbador a pin 8 en la placa Arduino y conectar el LED al pin 9v, claro que ambos pernos más cortos de lo LED y el zumbador están conectado al pin GND de la placa Arduino
Después de que haya terminado con programación debe conectar cables el de caja de la batería de 9v (o clip) a Vin (el cable rojo) y pines GND (cable negro) respectivamente.
Aquí está una foto que muestra el esquema, he usado software Proteus y curiosamente pin Vin en Arduino Nano no activa por lo que enganchó al pin de 5v pero en realidad usaba Vin (lo mismo para las patillas del LED en realidad uno conectado al pin GND el otro al pin 9 en el Arduino que es diferente que el esquema, lo siento por cualquier confusión)
Aquí también es un cuadro que muestra las reales conexiones en el protoboard