Paso 10: La placa frontal y tapa trasera



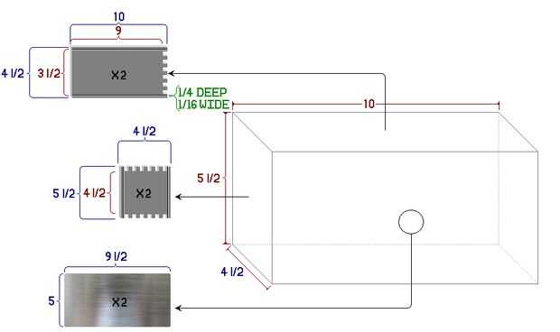
Para la placa de control frontal necesitamos una chapa de acero para hacer una placa de control frontal y una placa de cubierta posterior. Tan por el tamaño de hoja. Sería bueno comprar uno más grande que lo que usted necesita para una copia de seguridad en caso de en mal estado en la primera, pero fue barato y compraron lo suficiente para 2. Trata de escoger uno con mínimos rasguños y golpes en él. Las manchas son OK si ellos pueden limpiarse.
Usa una dremel para cortar las placas, luego utiliza una lijadora de banda estacionaria para rematar los bordes. Entonces averiguar cómo quieres tu diseño. Muestro mi diseño en la primera foto. Después se hicieron las mediciones y está seguro de donde todo va, marque los puntos y perfore hacia fuera. Luego concluir con la presentación de la basura sobra.