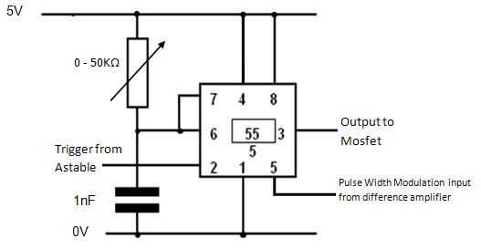
Paso 3: Etapa 2: monoestable



Entradas: Entrada pulso del astable provoca monoestable y Pin 5 (modulación de anchura de pulso) de entrada del amplificador de diferencia.
Salidas: Salidas de pulsos para mosfet para encender y apagar y permitir que la corriente de flujo para diferentes cantidades de tiempo.
'Diagrama del circuito
(ver imagen)
Construcción y prueba de
Prueba una vez construido, la salida (pin3) del perno con un osciloscopio y alterar la resistencia variable para obtener el ancho de pulso a alrededor de 8 segundos de micro. Si no tienes un osciloscopio, simplemente ajuste el potenciómetro hasta aproximadamente 1/5 de su resistencia con un multímetro que debería funcionar casi tan bien!
La prueba debería verse algo como la imagen 3, prueba muestra la salida del astable en azul, el rojo demuestra el monoestable.