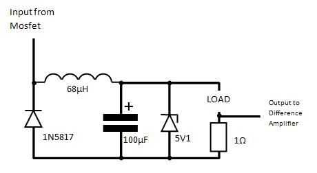
Paso 5: Etapa 4: corriente ajustar circuito


Entradas: MOSFET
Salidas: Carga, amplificador de la diferencia
Construcción y prueba de
Construir pero no prueba todavía, se fundirá el LED (o cualquiera que sea la carga dispositivo usando)
Construcción y prueba de
Construir pero no prueba todavía, se fundirá el LED (o cualquiera que sea la carga dispositivo usando)