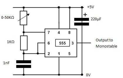
Paso 2: Etapa 1: Astable


Entradas: ninguno, este se activa cuando el circuito se conecta a los carriles de la energía
Salidas: PIN 3 (salida) va a la activación de la monoestable
'Diagrama del circuito
(ver imagen)
Construcción y prueba de
Prueba una vez construido, la salida (pin3) del perno con un osciloscopio y alterar la resistencia variable para obtener el ancho de pulso a alrededor 16 micro segundos. Si no tienes un osciloscopio, simplemente ajuste el potenciómetro a la mitad de su resistencia con un multímetro que debería funcionar casi tan bien!