Paso 5: Continuación de la Asamblea había







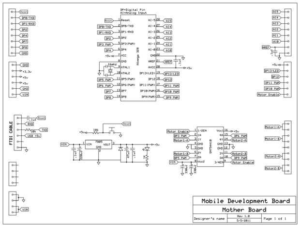
Usé el SN754410 controlador en lugar del L293D común porque el SN754410 es más robusto con niveles más altos de la salida y afirma que es más fácil trabajar con en los foros. Ambos tienen las mismas conexiones.
Pueden encontrar aquí dos buenas webs con tutoriales y código de ejemplo se puede encontrar aquí.
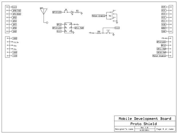
Te recomiendo los cables de la codificación policromática.
ex)
Rojo 5 voltios
Tierra-negro
Restablecer las líneas-azul
Verde líneas PWM
Activar motor-blanco
Líneas digital-naranja
Líneas analógica-amarillo
Recuerde tomar su tiempo de edificio y las conexiones de prueba como vas, de lo contrario algo deba fijarse posteriormente.
Iniciar con la colocación de los componentes más grandes y trabajar su camino hacia abajo para los resistores y tal.			












