Paso 5: reactivando



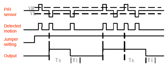
Ahora configurar la Junta prueba otra vez. Usted puede notar que cuando se conecta el sensor de PIR que el anterior, el LED no se queda cuando movimiento pero realmente enciende y apaga cada segundo o menos. Eso se llama "no reactivando".
Ahora cambie el jumper para que esté en la posición H. Si configura la prueba, usted notará que ahora el LED se queda todo el tiempo que algo está avanzando. Eso se llama "reactivando"
Para la mayoría de las aplicaciones "reactivando" (jumper en posición H) modo es un poco mejor. Si usted necesita conectar el sensor a algo por flancos, usted querrá establecer en "no reactivando" (jumper en posición L).