Paso 2: lentes








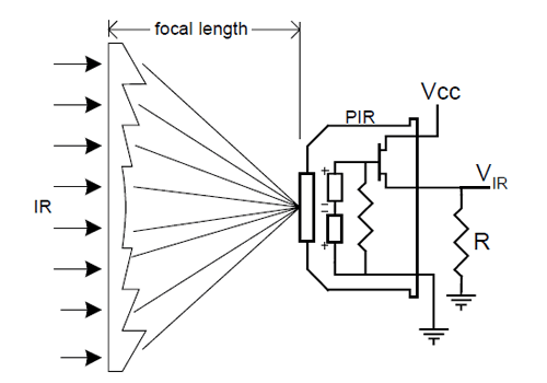
En el diagrama anterior, el objetivo es sólo una pieza de plástico, pero eso significa que el área de detección es sólo dos rectángulos. Generalmente nos gustaría tener una zona de detección que es mucho más grande. Para ello, utilizamos una lente simple como las que se encuentran en una cámara: condensa una gran área (por ejemplo un paisaje) en una pequeña (en la película o un sensor CCD). Por razones que pronto será evidentes, nos gustaría hacer las lentes PIR pequeño y fino y moldeable de plástico barato, aunque puede añadir distorsión. Por esta razón, los sensores son realmente lentes de Fresnel (ver imagen abajo).
OK, así que ahora tenemos una gama mucho más grande. Sin embargo, recuerde que en realidad tenemos dos sensores, y lo más importante no queremos dos grandes rectángulos de área de detección, sino más bien una dispersión de múltiples pequeñas áreas. Así que cómo se divide la lente en la sección varios, cada sección de la cual es una lente de fresnel.
El tallado de diferentes y los lentes crean una gama de zonas de detección, intercalados entre sí. Es por ello que los centros de la lente en las facetas anteriores son 'incompatibles' - cada uno apunta a un medio diferente del elemento de detección PIR