Osciloscopio de baja velocidad AVR V2.00 (es actualizado el 19 de marzo de 2011) (2 / 6 paso)

Paso 2: Diseñar el diagrama esquemático

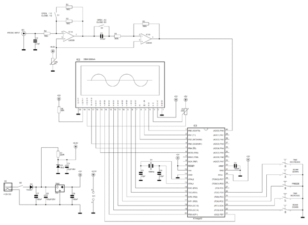
Después de que había elegido los componentes, he tenido que dibujar el diagrama esquemático de este circuito. Para ello utilicé el Splan 5 que no es freeware pero es un software muy económico despiezada.

Artículos Relacionados

Logo interactivo

Logo interactivo

en primer lugar nos gustaría agradecer a la organización y sobre todo el principal patrocinador, Capgemini, que hizo todo esto posible.Este proyecto es una contribución a la primera mermelada de Arduino belga (2012).En el Arduino Jam 2012, yo y otros
Proyector láser alfanumérico con arduino

Proyector láser alfanumérico con arduino

IntroducciónLa idea era hacer un pequeño, barato y altamente portátil proyector de láser de alta potencia (pilas) alfa numérico. Esto sería un dispositivo que puede utilizar para proyectar un mensaje sobre objetivos distantes. No resulta para ser val
Comunicación de voz digital de velocidad de bits baja

Comunicación de voz digital de velocidad de bits baja

ResumenLa "comunicación de voz baja velocidad de bits Digital" proporciona una solución para el problema de comunicaciones cuando aparece una situación crítica. Una situación crítica podría ser un incendio, una acción militar o un desastre natur
VUSBTiny AVR SPI programador

VUSBTiny AVR SPI programador

después de hacer un programador isp de usbtiny y usarlo durante 6 meses, estaba mirando uno otro para llevar alrededor. me gusta el simplicy del diseño usbtiny isp pero quisiera hacerla aún más pequeña y menos partes. una cosa en el diseño original q
Usar una caminadora DC Drive Motor y controlador de velocidad PWM para accionar herramientas

Usar una caminadora DC Drive Motor y controlador de velocidad PWM para accionar herramientas

pueden requerir herramientas eléctricas tales como molinos de corte de metales y tornos, taladros, sierras, lijadoras y más .5HP a 2HP motores con la capacidad de ajustar la velocidad manteniendo el esfuerzo de torsión.Coincidentemente la mayoría de
Ahorrar dinero, con este mod de velocidad variable del inversor a la bomba de la piscina

Ahorrar dinero, con este mod de velocidad variable del inversor a la bomba de la piscina

hay unidades disponibles en el mercado que utilizan un inversor VFD para variar la velocidad de la bomba de la piscina, y aunque proporcionan grandes ahorros, siendo un DIY-er quería tener un ir por mi cuenta y tratar de simplificar toda la unidad.Re
Mesa ventilador de velocidad variable

Mesa ventilador de velocidad variable

"Este instructable fue creada en cumplimiento de la exigencia de proyecto de la Makecourse de la Universidad de South Florida (www.makecourse.com)"Durante el semestre pasado, 3D imprimí y había construido en un fan de mini mesa. Algunas piezas q
Cómo ingresar el Toss! concurso de velocidad

Cómo ingresar el Toss! concurso de velocidad

son fantásticos aviones de papel: son fáciles de hacer con materiales simples. Solo agarra una hoja de papel y tal vez tijeras, cinta o un clip y listo ir.Hay tantos diseños como los fabricantes de avión de papel, y nos encanta a todos. ¿Tienes un di
Barato y fácil tacómetro (RPM Sensor) para motores DC cepillado

Barato y fácil tacómetro (RPM Sensor) para motores DC cepillado

sólo surgió una muy simple, fácil de implementar y muy barata manera para controlar las RPM de los motores cepillados de la C.C..  También funcionaría en los motores sin cepillo pero hay formas mejores para ellos (contando fase los cambios) por lo qu
Plataforma robótica experimental

Plataforma robótica experimental

¡ Hola! Mi nombre es Andrés y soy un estudiante de Ciencias de la computación.Empecé a trabajar en este robot para ambos divertirse y como parte de mi tesis de licenciatura.Todo comenzó cuando compré un kit de la robusteza de un sitio llamado Conrad:
RC helicóptero cuadrotor

RC helicóptero cuadrotor

este proyecto es un helicóptero cuadrotor RC (quadrocopter, quadcopter, cuadricóptero, etc.). Es un helicóptero RC que utiliza 4 rotores.Ver en 720pNecesita algunas habilidades de pre-requisito:Cómo utilizar Arduino, lo suficiente como para empezarSo
USB tarjeta PCB

USB tarjeta PCB

Esta es una tarjeta de negocios que se escriba un texto cuando se conecta a un puerto USB.Utiliza un microcontrolador ATtiny85 con código V-USB base para emular un teclado. La tipificación es accionada por el estado de Bloq LEDs se enciende 3 veces.E
USB mando clásico de Wii

USB mando clásico de Wii

este proyecto le mostrará cómo crear un verdadero cojín del juego USB usando un mando clásico de Wii.A través de los pasos, usted aprenderá sobre:Cómo funciona el USBCómo funciona I2CComo leer datos desde el controlador clásico de WiiAlgunas de estas
Hacer un Tracker de globo de la alto-altitud (Arduino)

Hacer un Tracker de globo de la alto-altitud (Arduino)

Uno de los mejores proyectos que he hecho hasta ahora con mis hijos es un globo de "cerca de espacio". Que no es absolutamente en el propio espacio (100 Km +), pero tan alto que el cielo se ve negro y puede empezar a ver la curvatura de la tierr