Paso 4: Utilizando un diodo Zener



Colocar un resistor de carga en línea antes del Diodo zener, y tomando el zener a tierra, puede asegurarse la tensión que obtiene pasado que el zener está en o ligeramente por debajo de la tensión zener (Vz) del Diodo zener. En la siguiente imagen de ejemplo, se puede ver que introducir una señal de 5V salidas un 3.18V señal.
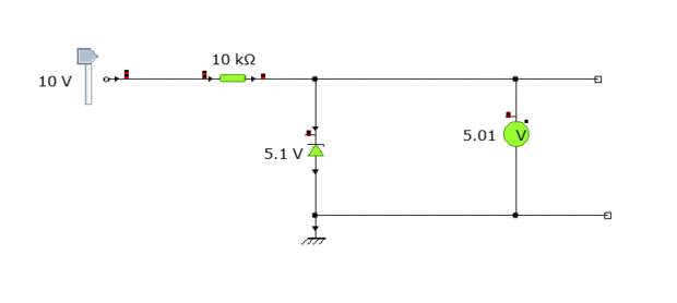
En el segundo ejemplo, estoy "regular" 5.1V después de caminar de 10V. Esto no debe confundirse con una regulación de corriente/voltaje constante. Mejor se utiliza como una señal con poca o ninguna carga.