Paso 8: placa de arduino





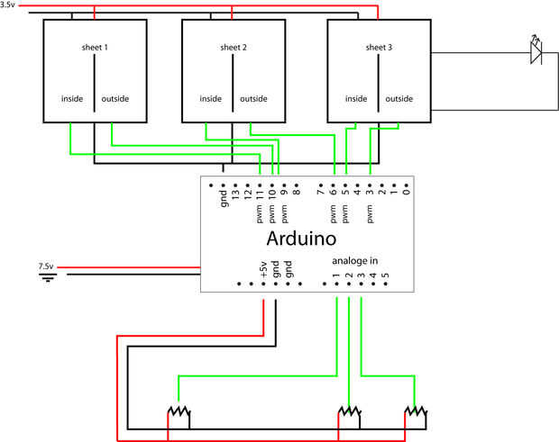
El Arduino necesita ahora las entradas, salidas, conexiones de alimentación y colocar motivos.
Los diagramas están en las imágenes de abajo de la instalación de cableado todo y también uno de los stripboards, y las fotos tienen notas sobre ellos para mostrar cómo esto se corresponde con la actual Junta Directiva.
Estamos utilizando 3 entradas analógicas de las macetas y digital de 6 salidas stripboards, con modulación de anchura de pulso (pwm). Existen 3 razones regreso a la Junta Directiva de las 3 stripboards.
Hay poder 3v de una fuente de las 3 stripbaords y 7.5v de la energía de otra fuente de alimentación a la placa arduino.