Mostrar números usando un escudo mini arduino casero! (2 / 3 paso)

Paso 2: La construcción!

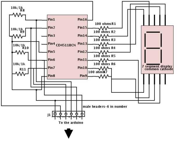
arriba han dado el esquema para construir el escudo y asegúrese de no conectar los cables que parecen estar conectadas en el esquema. Si no eres capaz de capaz de diferenciar entre los cables conectados y no conectados, buscalo en google "Cómo distinguir entre los cables conectados y no conectados en un esquema". También en caso de soldadura de desbordamiento en las articulaciones uso una de bomba o cobre trenzado/mecha para quitarlo y volver a soldar otra vez de soldadura. Asegúrese de cabezales de soldadura que don no toque o se baje no connected.the resistencias todos están conectados a tierra y así es pin5. Pin 5 es habilitar de cierre que permite mostrar diferentes dígitos consecutively(one after the other).pin 16 V + y pin8 V-... En el diagrama las cabeceras deberán conectarse en el siguiente orden de izquierda a derecha:
1-toma de tierra (va al pin gnd junto a pin 13)
2-V + (va al pin 13, siempre debe establecerse en alto ya que actúa como V + para el escudo aquí)
3-bcd entrada A (va al pin 12 del arduino)
4-bcd entrada B (va al pin 11 de arduino)
5-bcd entrada C (va al pin 10 del arduino)
6-bcd entrada D (va al pin 9 del arduino)
también siempre un zócalo del ic y no la soldadura el ic directamente sobre el tablero como esto puede dando por resultado que el escudo no trabajo. Sobre todo Asegúrese de que usted Levante la fila de encabezado a su punto final para que pueda obtener más espacio para soldering.if que no entiendes el post que un comentario y yo se subir una imagen. Buena suerte en lo que es.

Artículos Relacionados

Simple escudo de arduino casero POV

Simple escudo de arduino casero POV

Tiene sargento de Artillería Hartman (la chaqueta del Metal completo) dice durante el rápido orar "hay muchos como él, pero éste es el mío"Paso 1: MaterialDe hecho hay muchos proyectos como disponible en internet.Éste utiliza un interruptor de i
Soldadura del Kilomux MIDI escudo para Arduino

Soldadura del Kilomux MIDI escudo para Arduino

El Kilomux es un escudo para Arduino creado por Yaeltex para facilitar y potenciar la creación de controladores MIDI.Fue diseñado y fabricado para facilitar la creación de herramientas MIDI totalmente personalizadas a artistas visuales, músicos, prod
Gráficas en línea usando nada pero un Arduino Ethernet Shield y Sensor

Gráficas en línea usando nada pero un Arduino Ethernet Shield y Sensor

Finalmente he decidido poner algunos de mis proyectos actuales en instructables. Esta es una adaptación de mi proyecto de registrador de datos de gráficos Super.¿Qué es el registrador de datos gráficas de Super (SGDL)? Es un proyecto de Arduino que i
El chipkit dp32 de programación usando el IDE de Arduino

El chipkit dp32 de programación usando el IDE de Arduino

chipKIT juntas tienen más memoria y potencia de cálculo que muchas placas Arduino, y como resultado, son mucho mejores en la manipulación de datos.En el otro lado, el IDE de Arduino es fácil de usar y entender.Así que qué pasa si nos podríamos interc
Un escudo de Arduino que convierte su Radio controló el coche en un Robot

Un escudo de Arduino que convierte su Radio controló el coche en un Robot

He visto un montón de Instructables que describen cómo un coche de radio control se puede convertir en un robot. La mayoría de ellas exigen que junta de receptor de la R/C coche modificarse para que la sección de RF del receptor se pasa por alto con
Attiny85 Mini-Arduino

Attiny85 Mini-Arduino

Se trata de un Arduino como tablero que utiliza un microcontrolador Attiny85. Puede ser programado usando el IDE de Arduino.Se necesita:Adafruit Perma-cuarto de Proto-tamaño placa PCB http://www.adafruit.com/products/16082,1 mm barril jack http://www
Construcción de un escudo de Arduino para el transmisor-receptor nRF24L01 +

Construcción de un escudo de Arduino para el transmisor-receptor nRF24L01 +

El transceptor nRF24L01 + es una gran manera de bajo costo para agregar capacidad inalámbrica a cualquier proyecto. Pero el lado negativo del nRF24L01 + puede ser una molestia al prototipo con. En este instructable nos fijamos en cómo construir un es
Diseño de un escudo simple arduino

Diseño de un escudo simple arduino

por qué diseñar su propio escudo de arduino-Es barato, nuestro animal que necesita sólo cuesta USD 1-2, y también es fácil y rápido de construir. Vamos a un adaptador de bluetooth, una una necesidad oficial $19.-Cableado es molesto, cuántas veces le
Escudo de Arduino Audio DSP

Escudo de Arduino Audio DSP

El escudo de Arduino Audio DSP tiene modulación de anillo, eco, reverb, un oscope, oscilador, generador de forma de onda arbitraria, etc.. Es un sistema de software y hardware, un hombre sano, en una lata!Paso 1: Conseguir un escudo audio de arduinoL
Torno madera Mini DIY casero prensa taladro contrapunto dinámico molino Metal eje ranurador del CNC de

Torno madera Mini DIY casero prensa taladro contrapunto dinámico molino Metal eje ranurador del CNC de

Torno madera Mini DIY casero prensa taladro contrapunto dinámico molino Metal eje el ranurador del CNCPaso 1: DIY X Y eje Deslice la mesa Paso 2: DIY Mini torno por aluminio Aloy BRICOLAJE torno Mini de aluminio AloyPaso 3: Bricolaje torneros y contr
Sierra de mesa Circular Mini DIY casero cortar PCB del viejo Motor de taladro

Sierra de mesa Circular Mini DIY casero cortar PCB del viejo Motor de taladro

Sierra de mesa Circular Mini DIY casero cortar PCB del viejo Motor de taladroHojas de Sierra de Mini DIY es corte y molido de una variedad de materiales con mini hojas de sierra y corta. Modelos experimentados y aficionados de principio tanto aprecia
Aleación de aluminio Mini torno casero con diapositiva CNC lineal bola cojinete rodamiento de movimiento

Aleación de aluminio Mini torno casero con diapositiva CNC lineal bola cojinete rodamiento de movimiento

Aleación de aluminio Mini torno casero con diapositiva CNC lineal bola cojinete rodamiento de movimientoPiezas y herramientas:MDF de madera 200 mm x 650 mm x 20 mm2pcs SCS10UU 20 mm rodamiento de bolitas Linear Motion con CNCGuías lineales de 20 mm d
Cómo twittear desde un Arduino usando el escudo de wifi

Cómo twittear desde un Arduino usando el escudo de wifi

Hola, soy un gran fan de Instructables. Siempre lo he usado para los últimos 3 años y ahora es el momento para mí escribir una yo.Aquí vamos. Este instructable es para aquellos que quieren hacer automáticamente un tweet de objeto inanimado. Como deci
Mini Arduino CNC

Mini Arduino CNC

Este instructable muestra cómo construir un CNC barato y fácil, pero muy pequeña usando Arduino UNO. Se puede utilizar para madera fina molino, espumas diferentes o se puede utilizar para trazar bocetos diferentes y también puede ser utilizado para e