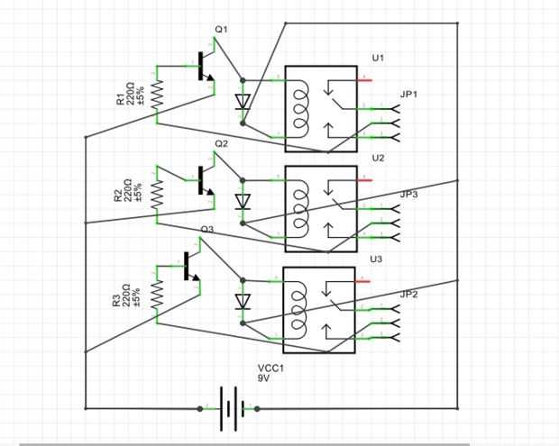
Paso 3: Diagrama del circuito




Seguir el circuito determinado y recomiendo a construir primero en un protoboard. Compruebe el circuito si funciona correctamente, si no, tal vez el transistor npn no soporta circuito de seguidor de emisor. Intente configurarlo como un normal 'npn transistor como un interruptor de circuito', que funciona muy bien. Asegúrese también de que diodo volante está conectado a través de bobinas de relé de manera correcta. Una vez que está funcionando bien, soldadura permanentemente en un perfboard o pcb. Puede conectar tres zócalos terminal de tornillo para relés NO, COM del relé ' y la entrada base del transistor a través de resistencia ' para facilitar la. También un conector terminal de dos tornillos para ''(for relay) de la fuente. Que no había usado tres zócalos terminal de tornillo porque tengo que poner este módulo relé en mi proyecto en el que no es necesario destornillarlos alguna vez en el futuro, por lo que será una pérdida total de la utilización de estos, había soldado les via cable en mi circuito de conducción principal. También puede Agregar LEDs para indicar el estado del relé.
Eso es todo. Pronto actualizaré este instructable utilizando matriz de transistor ICs (como el ULN2003) en lugar de transistores npn.
Uso amablemente la resistencia de 1K ohm en lugar del resistor de 220 Ohmios se muestra en el esquema de arriba y la fuente según requisitos de relé en lugar de '9V' en esquema.













