


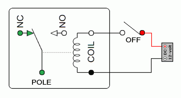
Espero que todos ustedes están familiarizados con relés (si no cheque esta), en palabras simples son tipos de interruptores en los que si no pasamos algunos voltios (según clasificación de voltaje del relé) a través de terminales de la bobina entonces se conectarme COM pines es decir, trabajar como un interruptor cerrado a través del cual podemos conectar más voltios de corriente. Relay de 5 voltios necesita corriente a través de terminales de la bobina para activar de un 5V, 12V necesita 12V trigger y mismo en cuanto a todos los demás.

¿Cómo puede utilizarse?... Ejemplo más básico es que podemos utilizar un relé para controlar nuestra casa bodega appliances(110-240V) a través de un microcontrolador (como Arduino, que no puede manejar esas corrientes de alto voltaje). Como en el caso de Arduino que suministra una corriente de 5 voltios a través de los pines digitales, un relay de 5 voltios es útil. Usted puede poner cualquier bobina de una terminal a un pin digital de Arduino y otros terminal GND para el relé activará... Pero no, no una forma correcta. Allí se puede producir un voltaje pico causando arcos en los contactos del interruptor cuando la bobina está apagada, que podrían dañar el microcontrolador o cualquier otro aparato de conmutación. Para resolver este problema sólo tiene que conectar un diodo, denominado diodo volante, a través de terminales de bobinas que proporcionan una trayectoria para la corriente.
Si su tan simple entonces ¿por qué había usado transistores y resistencias junto con relés y diodos del flyback en mi proyecto?... Así que la respuesta es que si utilizas solo relé activará de Arduino, que funciona muy bien, pero cuando se trata de controlar más de un repetidor no trabajará porque debido a la baja corriente en los pines digitales del microcontrolador, cuando lanzáis un relé algún voltaje caerá debido a que el otro relé no será conseguir la tensión necesaria y no conseguirá gatillo. Para manejar múltiples relés de Arduino, se utiliza 'transistor como un interruptor'. Siga los pasos para eso.













