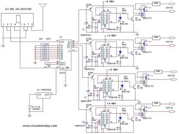
Paso 2: Hacer que el receptor







Por lo tanto, aquí vamos a hacer la unidad receptora. Comience con el PCB, plan y marcar los lugares donde poner ICs manteniendo el decodificador que IC aparte de flip flops. Yo no he utilizado el voltaje regulator(LM7805) como se muestra en el esquema coz que voy usando regulada de 5 voltios DC adaptador. Pero chicos por favor utilice el regulador de tensión si está encendido el circuito de tensiones superiores a 7,5 voltios hasta 12 voltios. Los zócalos IC de la soldadura y los respectivos condensadores, transistores, resistencias y LEDs de flip flop ICs cerca de ellos. Siga la imagen para eliminar esos detalles de perno casquillo del metal del transistor si eres nuevo en utilizarlos. Ver el esquema varias veces antes de soldar para evitar cualquier error, pero después de todo somos seres humanos, sólo podemos tratar de ser perfecto. Jaja. ;-)