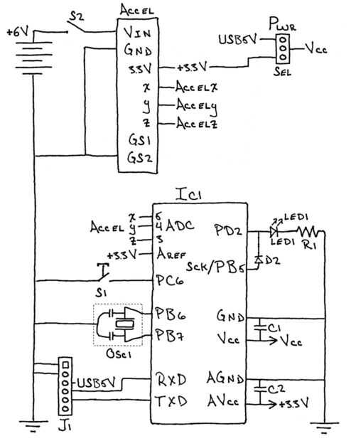
Paso 1: Esquema de diseño y lista de materiales


Déjeme saber si usted está interesado en un tablero impreso. Podemos combinar pedidos y Ahorre!
Piezas
Accel - accel 3 ejes breakout $15
Batería 6V - litio 28 L $5
SparkFun
S2: interruptor de montaje en superficie ángulo recto $1
IC1 - AVR ATMega328 con arduino bootloader $5,50 (considere conseguir esto de ladyada.com, para ella cenó a gestor de arranque)
LED1, brillante estupendo LED rojo $1 x 2
Osc1 - oscilador de 16 MHz $1
zócalo DIP de 28 pines $1,50
Radio Shack
C1, C2, tapa de cerámica de.1 uF
R1, R2 - resistencia de 220 Ohm
Proyecto de $2
Cinta de la barra y los enchufes.
Total costo alrededor de $35, batería incluida. No estoy incluyendo el costo de la barra de la cinta, ya que es necesario tener que de todas formas.