Paso 5: Laser controlador

















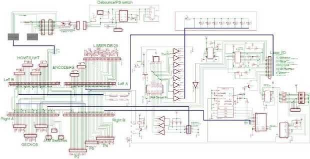
Las unidades de Gecko y la Junta USC son agradables, pero el controlador de láser también tiene algunos electronica que medir los Estados de laser sí mismo, genera una señal modulada de ancho de pulso y reportar una parada al controlador paso a paso Unversal. El esquema de la electronica fue generado usando el mismo software. La medición por láser se basa en circuitos especificados por el fabricante del láser.
Los Estados del láser fueron alimentados en un "Sólo un minuto" o circuito de mermelada (esquema original). El circuito de la mermelada fue diseñado originalmente para una situación de juego, donde varios concursantes pueden golpear un interruptor, cuando el interruptor se produce una luz pasa sobre lo que indica que pulse el botón, y el resto de los concursantes están bloqueadas. Perfecto para mi solicitud, porque si cualquiera de varios Estados desciendan Quiero registrar que el sistema fue baja, bloquear otros insumos y luego voltear la palanca de parada de emergencia de la Junta de la USC. El tablero personalizado también tiene un circuito PWM que se basa en un temporizador programable que alimentan un contador binario y combinación de comparador de magnitud.
También hay una sección en el circuito que debounces el empuje de un botón y luego cambia a tipo D fracaso de tirón. Recibe la energía desde una fuente no conmutado, cuando el usuario golpea el pulsador que se activa un relé de estado sólido que alimenta el circuito restante.
El esquema resume el problema de I/O por el controlador de láser. Hay más de 120 líneas de conectores a interruptores de límite, codificadores, geckos y el tablero de la USC. Todas las líneas fueron conducidas a uno de cuatro 30 pin hembra encabezados. Esto era bueno ir porque reduce cualquier soldaduras u otros tipos de conexiones directas entre los componentes, básicamente todas las conexiones entre componentes se manejaron mediante la vinculación entre los polos de la cabecera usando abrigo del alambre.
Esto tiene varias ventajas: 1) es una reducción general en soldadura: soldadura es fina pero más difícil desconectar--conexiones se hacen por alambres a pines de prensar y luego inserta en el encabezado 2) la «lógica» de cómo están vinculadas las líneas se maneja en el software como se describe en la sección siguiente, esto evita mecánicamente mirando un bloque de encabezado de los geckos y decidir que los cables tienen que soldar a los pines a los codificadores. 3) en general, reduce el espagueti del circuito. Me malinterpreten, el espagueti está todavía allí, pero su centralizada en cuatro jefes principales. Los lectores no quiero ir con esta estrategia, pero una cosa que recomiendo es para evitar que las conexiones de cableado entre componentes. Asegúrese de que todo está conectado por enchufe desconectado fácilmente extremos--cableado cables soldados directamente entre los componentes que realmente difícil tirar los componentes de la caja cuando surgen problemas.
Ver el circuito...
Abrigo del alambre es una cosa hermosa.
Águila soporta exportar el esquema como una lista de red y una lista de pin. Estos archivos se utilizan como entrada a un programa en perl que fue dado también las ubicaciones de todas las piezas en un tablero de envoltura de alambre, que luego todo el alambre envolver las conexiones requeridas para hacer la Junta. El programa también crea un dibujo que muestra la ubicación de las fichas en el tablero de la envoltura de alambre.
Hay ventajas para mapeo de toda la red de conexiones en un archivo de conexión de red de trabajo. Lo principal es que su más rápido. No mirar mucho excepto los nombres de los pines en la placa wirewrap, cableado los pines juntos y luego comprobación de continuidad con un probador audible. Esto es en contraste a una situación donde usted tiene sus componentes a un lado de la Junta, está mirando los, mirar un diagrama del circuito, entonces la Junta de los bancos, imaginando la situación de la IC fija en su mente que están ahora en el otro lado de la Junta y luego conectar cosas juntos. Ahora he metido el hábito de traducir siempre el circuito que estoy trabajando en las conexiones de pin a pin. La otra ventaja que veo de tener un listado de conexiones de alambre plástico es si tiene problemas con el circuito en el futuro, imagina a un diagrama del circuito y un tablero de plástico de alambre terminado en sus manos. Depurar el circuito--en busca de roturas, chips de prueba - es muy lento. Con una lista de alambre envolver las conexiones puede ordenar la lista para dar todas las conexiones de un solo IC y rápidamente verificar esas conexiones.
La envoltura del alambre fue realizada usando una herramienta de raja-n-abrigo comprada en Digi-key; algunos puntos sobre este proceso:
- Si no lo has hecho raja-n-wrap, no Comparar con otros métodos. Raja-n-wrap toma un poco acostumbrarse, pero usted puede terminar haciendo un producto de muy alta calidad. Francamente pensé que era divertido.
- Uso previamente despojado wire wrap herramientas porque sólo permiten hacer dos conexiones. Raja-n-envoltura le permiten tantas conexiones como desee en un cable.
- Haz un comprobador de continuidad audible. Usted debe comprobar continuidad--cuando trabaja wirewrap es una conexión muy sólida pero alrededor del 10 por ciento de las conexiones fallará y tienen que ser rehechos. El verificador de continuidad audible es mucho más rápido.
- Ser capaz de desenvolver rápidamente wirewrap es esencial. Radio shack parte número 276-1570 es una herramienta de envoltura de cable barato que absolutamente no se debe utilizar alambre de envoltura con raja-n-envolver el alambre, sin embargo; es un gran dispositivo para desenvolver. Digikey también vende desenvolver herramientas pero son caros. Desenrollar con la herramienta de shack de radio trata de empujar la herramienta encima del poste wirewrap tironeo hacia abajo en el alambre envuelto y girando en la dirección opuesta. Esto afloja el cable suficiente para luego ser halado con los dedos.
- He comprado mi alambre abrigo tableros en ebay mediante la búsqueda en "AUGAT" "WIREWRAP" y o "WIRE WRAP". Augat wire wrap tableros son absolutamente el mejor. Su costo original es astronómica pero afortunadamente muchos han apareciendo en ebay por precios de venta de garaje.
Mi consejo había más de 400 puntos de conexión y definitivamente uso wire-wrap si tuviera lo haría otra vez. Por otro lado, ahora que había depurado mi circuito pude solo tengo una tienda de la Junta Directiva hacer un PCB para alrededor $100. :-) La Web de http://www.cadsoftusa.com/ contiene enlaces a lugares que hacen de PCB.
ver tabla
Pensando fuera de la caja incluida pensando cómo trabajar fuera de la caja.
Controladores de motores anteriores que he hecho han tenido un grave defecto, todos los componentes fueron montados directamente en su recinto. Esto hizo reparación de circuito, así como instalación y desinstalación de todos los componentes muy incómodo. Para este controlador, comencé por montar los componentes en un tablero de madera contrachapada. La Junta tiene patas de goma y hace mucho más fácil al servicio de todas las piezas en mi banco. El tablero encuentra un caso de reciclado de computadoras, que también tiene un agujero en el lado de un ventilador. Los puntos del ventilador directamente sobre los conductores del motor gecko. Este láser corte placa conector se hizo con el primer diseño de la placa utilizando las dimensiones de los conectores encontrados documentación obtenida de digikey. El archivo DXF resultante fue enviado a artes que produce la placa por láser corte 1/8 de pulgada gruesa la madera contrachapada. Irónico que estoy Out-sourcing a otras tiendas de láser para hacer algo espero hacerlo eventualmente en mi sótano. Los cables que van a la forma de la placa de conector lo que me refiero a como la red neuronal, una extensa colección de cables y conectores enganche a todos los componentes internos. Una vez conectada a la red de los nervios a los componentes internos de la placa se enfrenta fuera de la caja y se retranquea ligeramente para permitir que todos los conectores de cableado a ser protegidos de conseguir golpeado alrededor.
Sistema montado...
Instalación
Ordené un PCB de fab expresa. La Junta cuesta sólo $65.
Esta placa fue montada en el exterior del recinto
La estrategia de este PCB es la que tiene un chip AVR justo sobre ella, esto me permite establecer dos valores de potencia diferentes manualmente. Hay una entrada a la Junta que selecciona estos dos valores de preselección, basada en los valores de cinco salidas y se empuja en otro chip en la placa de envoltura de cable que se encarga de seleccionar el ancho de pulso para el láser. La caja completa del regulador fue cerrada y puesta en el estante.
En el estante
Si nos fijamos en el diagrama puedes ver hay un lote de entradas y salidas del controlador. Esto crea un problema porque terminas con un montón de cables para administrar. Tengo un amigo que solía alambre closets teléfono. Él sugirió doin' como los carretes de la compañía y hacer de teléfono de mensajes salientes de la pared. Esto fue muy útil porque mantiene el exceso de la herida para arriba y los cables del suelo. Su bonito también porque habrá algún exceso de longitud en los cables que será útil en una situación donde algunos de lo hardware obtiene se trasladó a una nueva ubicación. El experto de cable y me pone más de 100 pies de entre el controlador de la mesa de la CNC.
El cableado...
Observar los lazos de alambre que va alrededor de estos carretes en la foto de arriba. El controlador se une a algunos otros componentes en los estantes. Eso fue más o menos el diseño completo del sistema, el siguiente es un video que muestra el sistema de control de movimiento.