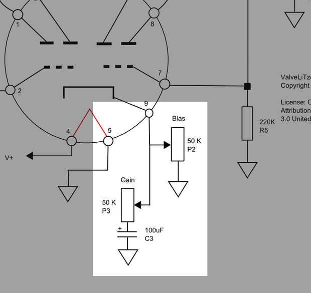
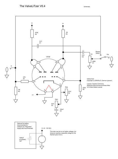
Paso 10: Nuevo Control de ganancia, versión 0.4


Subiendo la tapa de derivación solamente (C3) realmente añade ganancia. Yo he especificado como 100uF, pero cualquier valor de 22uF hacia arriba añadir ganancia. Se ha añadido un pote (P3) para ajustar la ganancia adicional.
C3 puede ser subido sin agregar a la olla, por supuesto.
El más viejo "sesgo" pote todavía está en lugar. Los dos juntos se pueden ajustar para adaptarse a...
Partes: