Paso 3: diseño

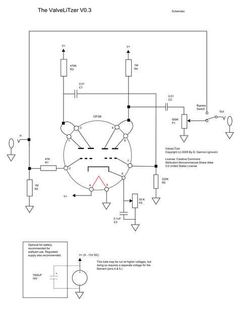
Debido a las bajas tensiones, las resistencias de la placa son bastante altas en comparación a los valores normales.
Olla #1 (P1) es un control de volumen simple divisor de tensión. Un pote de audio-taper es mejor para el volumen.
Olla #2 (P2) establece el sesgo y el carácter global de la producción de efectos. Jugar con él cambia la ganancia y el nivel de compresión, también. Una maceta cónica lineal funciona bien para el sesgo.
Tapa de paso de la 0.1uF (C3) es un valor pequeño, conservador. Nada de 0.1uF a 10uF podría sustituirse--valores más grandes aumentará el bajo y el volumen del efecto... Utilicé una tapa pequeña (tantalio?:-P) aquí ya que el valor es pequeño, pero un electrolítico puede sustituirse si mayor valores deseados. Un 10uF fue intentado inicialmente, pero era demasiado farty / bassy. 1uF también podría ser una buena opción.
En teoría, el 12FQ8 podría ser capaz de algunos efectos muy funky. Sin embargo, dudo que estos podrían lograrse fácilmente en bajas tensiones.