Paso 2: Diagramas de circuitos


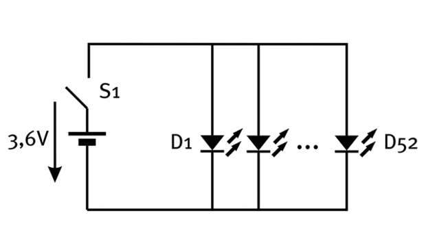
Como pretendo utilizar la antorcha principalmente con baterías recargables, calcula el siguiente circuito de 3,6 voltios, que es el voltaje típico de tres baterías de NiMH.
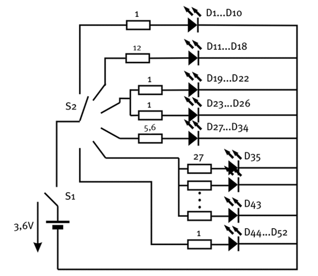
Más LEDs podrían establecer paralelamente y conducidos con una sola resistencia, ya que sólo utilizan 20 mA de corriente. Mi verde LED necesidad 30 mA, por lo que les divide en dos grupos con una resistencia. Los LEDs infrarrojos necesitan un enorme 100 mA cada uno, así que usé una resistencia para cada uno de ellos.
Dependiendo de los tipos y cantidades de LEDs está utilizando, puede que necesite diferentes resistencias. Esta calculadora de resistencia del LED puede ayudarle en su camino.