Paso 7: Control de usuario







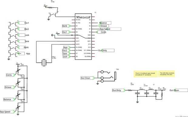
Si nos fijamos en el esquema, todos los switches están conectados a través de un terreno común. Por suerte tuve una matriz de interruptor de un viejo ordenador que ya tenía el número correcto de interruptores conectados por tierra común. Incluso tenía un LED, que no es necesario pero incluyó de todos modos. Sin esta matriz cada interruptor habría tenido que conectar manualmente. Un lado de todos los interruptores está conectado a tierra, entonces cada interruptor de otro lado está conectado a un pin en el Arduino. Cada uno de los pines de Arduino tiene un pull-up interno habilitado.
La pantalla LCD es serial habilitado, pero porque el MIDI en toma la principal serie conexión, la pantalla LCD requiere una conexión de serie de software. El software serial está habilitado en el pin 13, por lo que es conectado al pin de recepción en la pantalla LCD. La pantalla LCD también es conectada a la red y a tierra en el tablero principal.
Los potenciómetros están conectados a los pines de entrada analógicas de Arduino 0 a 3. Pin AREF de Arduino está conectado a 5 voltios.
Para evitar sacrificar una placa Arduino entera para este proyecto, programado el chip primero, luego la quite a una tabla aparte con el un cristal independiente. Esto requiere una tarjeta de circuito impreso para el chip y el cristal. Ahora esto se convierte en el tablero de control, con rieles para alimentación y la tierra y todos los pernos explotados.