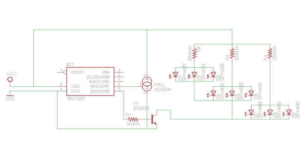
Paso 3: Soldar en los LEDs




La única razón que utilicé tres resistencias de ohm 33 separado en cada caso, en lugar de una resistencia de 10 ohmios es porque soldar juntos la primera luz con una resistencia de 33 ohm y no tenía ganas para desoldar nada :).