






Ventajas
serie 78xx ICs no requiere componentes adicionales para proveer una fuente constante y regulada de la energía, lo que, así como económico y usos eficiente del espacio. Otros reguladores de voltaje pueden requerir componentes adicionales para establecer el nivel de voltaje de salida, o para ayudar en el proceso de regulación. Algunos otros diseños (como una fuente de alimentación de la conmutación) pueden necesitar importantes conocimientos de ingeniería para implementar.
la serie 78xx ICs tiene protección incorporada contra un circuito demasiado energía. Tienen protección contra el sobrecalentamiento y cortocircuitos, haciéndolos muy sólidos en la mayoría de las aplicaciones. En algunos casos, las características de limitación de corriente de los dispositivos 78xx pueden proporcionar la protección no sólo para el 78xx sí mismo, sino también para otras partes del circuito.
Desventajas
El voltaje de entrada debe ser siempre mayor que el voltaje de salida de alguna cantidad mínima (típicamente 2 voltios). Esto puede hacer que estos dispositivos inadecuados para alimentar algunos dispositivos de ciertos tipos de fuentes de energía (por ejemplo, accionar un circuito que requiere 5 voltios con baterías de 6 voltios no funcionan utilizando un 7805).
Como se basan en un diseño de regulador lineal, la corriente de entrada requerida es siempre igual a la corriente de salida. Como el voltaje de entrada debe ser siempre mayor que la tensión de salida, esto significa que la energía total (voltaje por corriente) va en el 78xx será más que la potencia de salida proporcionada. La alimentación extra se disipa como calor. Esto significa ambos que para algunas aplicaciones debe proporcionarse un disipador de calor adecuado y también que una parte (a menudo substancial) de la energía de entrada se pierde durante el proceso, haciéndolas menos eficientes que algunos otros tipos de fuentes de alimentación. Cuando el voltaje de entrada es significativamente mayor que la tensión de salida regulada (por ejemplo, encender un 7805 con una fuente de alimentación de 24 voltios), esta ineficiencia puede ser un problema importante.
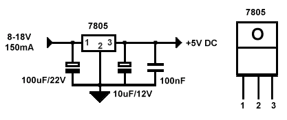
No perno nombre de la función
1 Input voltage (5V-18V) Input
2 Ground (0V) Ground
3 Regulated output; 5V (4.8V-5.2V) salida