Paso 3: Paso 2: construcción de los circuitos




Para construir el circuito vas a necesita el juguete desmontado, 1 mini Protosnap-proto, 1 potenciómetro, 5 cables y posiblemente un protoboard.
1. Corte los alambres del juguete. Corte donde he marcado en la imagen, encima del interruptor de encendido/apagado pero dése suficiente cable para trabajar con.
2. los cables de la lata. Si la va a usar un protoboard esto le ayuda para insertarlos fácilmente en los agujeros.
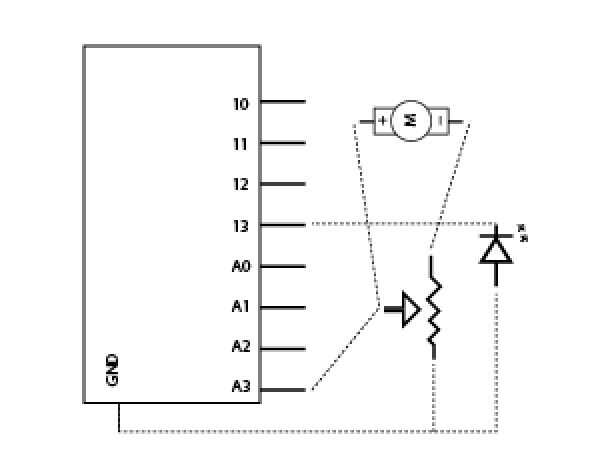
3. a continuación, siga el esquema añadiendo circuitos separados para el combo de potenciómetro motor y las luces.
* Para el potenciómetro y el motor necesita construir el circuito con la terminal A3 y la tierra
Para el las luces utilizar 12 y la tierra