Paso 3: La soldadura todos juntos


Esto es mucho trabajo. Incluso con los planes daría usted un montón de tiempo para ello. El aumentador de presión del termopar para el arranque de la soldadura es el trabajo más duro aquí. Sparkfun tiene algunos grandes tutoriales en montajes de superficie de soldadura. Sólo hay uno en todo el proyecto y es bastante fácil para mi primer montaje en superficie.
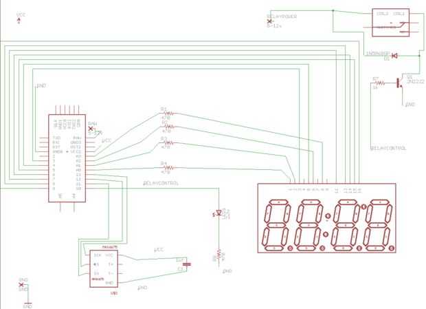
Los archivos del eagle están conectados, pero no garantizo que son 100% correctos. Se trata de una documentación de correos de mi prototipo.
Instrucciones de alambrado:
1. ir a buscar en Relais del controlador Arduino. Hay uno en este proyecto. Puede hacer y en la prueba de los antes que el resto de este proyecto.
1a. Conecte el relé, 2n2222 y resistencia de 1 k según el diagrama o el otro proyecto. Prueba de que una señal de 5v puede activar el relé. (Antes de enchufarlo por favor.)
2. Conecte todos los dígitos conexión de ánodo a una resistencia de 470 luego a un pin de IO de ardinuo. (Software configurable, pero guardar las notas si cambia mi recomendación de cableado).
Arduino -> resistencia -> siete seg
Dígitos de
14 (A0) -> resistencia - > 1
15 (A1) -> resistencia -> 2
16 (A2) -> resistencia -> 6
17 (A3) -> resistencia -> 8
3. los cátodos del segmento de alambre a los pernos del IO. No utilice los dos puntos, decimales o punto indicador.
Arduino -> siete seg
Segmentos de
3 -> 5
4 -> 3
5 -> 16
6 -> 15
7 -> 14
8 -> 13
9 -> 11
4. cable de la patilla 2 a la resistencia de base en el 2n2222.
5. Monte el MAX6675 en el arranque.
6. soldar el desglose a los pines de arduino.
7. soldadura de la tapa del filtro a la Junta de arranque tan cerca como sea posible.
8. soldar algunos cables al K + y K - en el tablero de arranque. No podrás soldar el termopar al Comité, por lo que no. Usted necesitará una conexión mecánica. Pinzas de cocodrilo son feo pero efectivo.
9. conectar el indicador LED al pin 2, con una resistencia de 470 a tierra.
En este momento puede conectar el arduino y verificar puede obtener lecturas de temperatura del termopar y verificar que el indicador led va y cuando el punto está por encima o por debajo del ajuste. Ver el siguiente paso para el código.
Los archivos de eagle están licenciados bajo una licencia Creative Commons Atribución 4.0 internacional.
http://creativecommons.org/licenses/by/4.0/