Paso 2: Diseño de grande 8 x 8 LED módulo matriz - circuito de Control electrónico




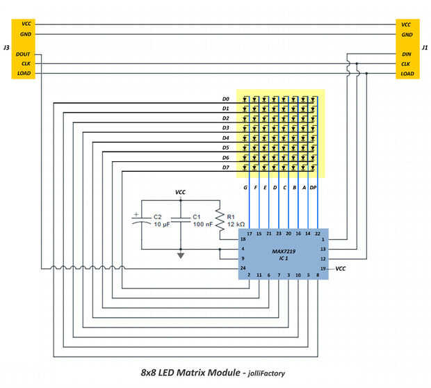
Para nuestro circuito electrónico, básicamente utilizaremos el MAX7219 ICs para conducir la matriz de LED. Mediante el diseño de nuestro circuito electrónico de la matriz de LED basado en este IC, el número de componentes para cada capa de matriz de LED es muy mínimo. Cada matriz de LED 8 x 8 será conducido por el circuito electrónico utilizando los siguientes componentes;
a. 1 IC x MAX7219
condensador electrolítico de b. 1 x 10uF 16V
condensador de cerámica de c. 1 x 0.1uF
resistencia de d. 1 x 12Kohms (1/4W)
e. 1 x 24 pines DIP IC zócalo
Tenga en cuenta que puede que deba elegir un valor de resistencia diferente a trabajar con el LED que está utilizando. Este resistor es limitar la corriente máxima que el MAX7219 IC suministrará a los LEDs. Usted puede ver el diagrama de bloques del circuito a ver cómo está conectado el circuito.
Usted puede conectar el circuito a bordo del perf pero para reducir el error y el esfuerzo para conectar el circuito electrónico, diseñamos nuestro circuito en PCB. Están disponibles en nuestra Tienda de Tindie como un conjunto de kit. Para nuestro PCB, los LEDs se colocan 18mm aparte, así que el tamaño de matriz de LED 8 x 8 final es alrededor de 144 x 144 mm. Todos los componentes utilizados son componentes por-agujero.
Nuestro diseño no tiene ningún particular microcontrolador embebido en nuestro circuito electrónico para controlar la matriz de LED. Que deberá ser impulsado externamente por cualquier microcontrolador vía interfaz de SPI. Para este proyecto, utilizaremos la popular placa Arduino (Nano) para conducir utilizando solo 3 cables de señal (SPI) y 2 cables de alimentación (5 V DC). Puede utilizar la Arduino Uno más comúnmente disponibles en lugar del Nano ya que son muy similares excepto por el factor de tamaño. Tenga en cuenta que todos los componentes deben ser soldadas a la parte inferior de la PCB. Mirar hacia fuera para las etiquetas de la pantalla de seda (parte inferior) o (superior) en la PCB. Para nuestro diseño de PCB de controlador de matriz de LED, se utilizó un encabezado femenina 5-forma ángulo soldado a J1 en el lado derecho y una cabecera masculino 5-forma ángulo soldadas a J3 en el lado izquierdo de la placa. Esto es para PCB con capas de matriz de LED a Margarita para trabajar como una larga pantalla de matriz de LED.