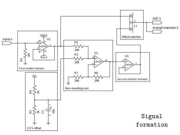
Paso 18: Formando la señal de entrada

- Hay una resistencia MΩ 1 en la entrada, para dar una referencia total a la señal y tiene una alta impedancia de entrada. Una alta impedancia "simula" un circuito abierto si se conecta a una menor impedancia, por lo que la presencia del Girino no meterse demasiado con el circuito que desea medir.
- Después de la resistencia hay un seguidor de emisor para separar la señal y proteger la electrónica siguiente.
- Hay un desplazamiento simple que genera un nivel de V 2.5 con un divisor de tensión. Está conectado a un condensador para estabilizarlo.
- Hay un no invertir suma-amplificador que suma la señal de entrada y el desplazamiento. Utilicé esta técnica porque quería ser capaz de ver también las señales negativas, como la ADC Arduino puede ver señales sólo entre 0 V a 5 V.
- Después del amplificador de suma hay otro seguidor de emisor.
- Un puente nos permite decidir si queremos alimentar la señal con un desplazamiento o no.
El amplificador operacional que tenía la intención de utilizar fue un LM324 que es capaz de trabajar entre 0 V a 5 V, pero también entre -12 dicen, V a 12 V. Esto nos da más posibilidades con las fuentes de alimentación. También probé un TL084 que es forma más rápida que el LM324 pero requiere una fuente de alimentación dual. Ambos tienen el mismo pinout por lo que se puede cambiar sin ninguna modificación del circuito.