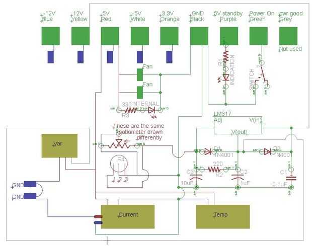
Paso 5: Diagrama esquemático de cableado








En primer lugar, hice un boceto del total esquemático y había trasladado a la siguiente imagen muy cruda. El medidor de corriente en combinación con el medidor de voltaje variable fue la parte más difícil (no es tan malo en absoluto) porque requiere repensar cómo se ejecuta la línea de tierra. Ver mi esquema para la explicación mejor (inferior izquierda). Puesto que el medidor de corriente debe ser en línea con la tierra, sólo inserté lo antes el suelo vinculante puestos conectados con la tierra de la fuente de alimentación. Excluidos los aficionados y la indicación del LED esta línea de tierra por lo que no contribuyen a la corriente que se muestra.
Los metros particular tengo todo debe tienen una línea de tierra y 5V para encender los LEDs (esta planta también fue excluido de la tierra mide), por lo que cada una de estas líneas necesita enrutarse a la fuente de alimentación también. El voltímetro tenía además, una línea de sentido para medir el voltaje a través de la línea de voltaje variable, así que conectar este derecho para el puesto de enlace "VAR".
Cada uno de los bornes restantes entonces fueron enganchadas a sus líneas de fuente de alimentación apropiadas. Esto debería ser bastante sencillo.
Finalmente, el circuito de voltaje variable necesita ser diseñado. Yo tenía un montón de diseños que podido con, pero entonces se me ocurrió que por qué no sólo mantenerlo simple (estúpido). Trabajo más o menos exclusivamente con bajas tensiones (entre 1 y 10 V). Así que por qué no usar los componentes baratos que tenía sentados. Usé un LM317 en el circuito que se muestra a continuación. No voy a explicar porque sería carnicero de la explicación. Estoy seguro de que hay un montón de gente en ibles que puede ayudar a diseñar una versión mejor :) Sólo tienes que seguir lo que hice si quieres algo simple!
Un gráfico rápido de color que los cables van donde (usar junto con la primera foto de este paso)
- Azul = - 12V. Conectarse-12V atascamiento poste.
- Amarillo = + 12. Conectar con el + 12V poste de fijación. También conectan con el cable amarillo para el V(in) del LM317.
- Rojo = + 5V. Conectar con el + 5V puesto de enlace. También conectar a los aficionados, de LED y cables de la fuente roja para los metros del panel. (solo el cable rojo fino para el medidor de corriente, no el uno grueso)
- Blanco = - 5 v. Conectarse - 5V atascamiento poste.
- Naranja = 3, 3V. Conectar a 3.3V binding post (puede también utilizarse para LEDs de potencia)
- Negro = tierra (0V). Conectar a los bornes de tierra. También ampliamente utilizado para el resto del esquema (ver imagen)
- Púrpura = 5V (en reposo). Esta línea está activa (5V) siempre que la fuente de alimentación está enchufado a la pared. Por lo que el LED me he enganchado hasta el cable morado será siempre, incluso cuando el interruptor está en la posición de apagado. No tienes que hacer nada si no quiere con esta línea.
- Verde = Power On. Esta es la llave. Para que cualquier fuente de alimentación encender (la mayoría), necesita al cortocircuito de la línea verde a tierra para encender el resto de la fuente de alimentación. Esto es donde ponemos el interruptor. (dirección / polaridad no importa)
- Gris = energía buena. A ignorar esta línea completamente.