Paso 4: Interfaz y mostrar la descripción del circuito





Descripción de la versión 1:
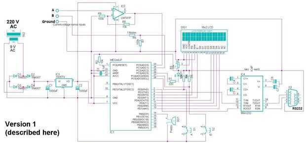
Esta etapa se compone de un transformador de paso descendente (TR2), un microcontrolador AVR ATmega8, interfaz serial MAX232, un op-amp LM741, un carácter de 16 X 2 LCD y algunos otros componentes discretos.
Esta etapa es accionada por un transformer(TR2) diferente. Esto es porque si potencia esta sección con la la sección del transformador de energía solamente, y si una carga pesada está conectada a la salida de cualquiera del regulador, disminuirá la tensión en las terminales que se reiniciar el microcontrolador o no que esta sección funcione correctamente porque microcontroladores son más sensibles a las fluctuaciones de tensión. 500mA, 220V AC con transformador de 9V AC paso descendente es suficiente aquí para este módulo. Con puente de rectificación por cuatro diodos 1N4007 y el condensador de filtro C1, C2 y otro regulador LM7805, obtenemos una salida regulada de 5 voltios que alimenta el microcontrolador.
ATmega8 es una energía baja, microcontrolador de 8 bits basado en la arquitectura AVR RISC. Tiene 8kB en-sistema programable memoria con capacidades de lectura tiempo de escritura, 512 bytes de EEPROM, serie de 1kB memoria de acceso aleatorio (RAM), entrada/salida de propósito general 23 (entrada-salida), 32 registros de trabajo de propósito general, tres temporizadores/contadores flexibles con comparar modos, interrupciones internas y externas, convertidor análogo a digital y una interfaz serial de dos hilos.
El LM741 es un propósito general op-amp fácilmente disponible en paquetes de DIP8.
Sin embargo pueden utilizar otros op-amps pero LM741 es una solución eficiente y económica para lo que necesitamos en nuestra aplicación.
MAX232 es interfaz serial IC que proporciona la conversión de nivel de voltaje entre el puerto serial del microcontrolador con el de la computadora personal. Es esencial, ya que el microcontrolador funciona a máximo 5 V CC y puerto serie del ordenador operan en niveles de tensión diferentes como usa -3 a-25 voltios para indicar la lógica 1 y + 3 a + 25 V para indicar la lógica 0. Así MAX232 actúa como un traductor entre los dos dispositivos.
Dos interruptores A y B están conectados a los pines PC.5 y PC.4 el atmega8 respectivamente desde el exterior se levantó por 10 resistores de k, que se utilizará para cambiar el modo de visualización de la fuente y para habilitar/deshabilitar la transmisión serial. Un LED está conectado al pin PC.3 que se utiliza para mostrar el estado de la transmisión serial. Un zumbador piezzo también está conectado al pin de PB.0 que da audio pitidos cuando el dispositivo está encendido o se presiona un botón para cambiar el menú.
Como se muestra en el circuito, está conectado el puerto inferior de D para el nibble inferior de la pantalla LCD, y las patillas E y RS en la pantalla LCD se conectan a PD.3 y PD.2 respectivamente. Pasador R/W en la pantalla LCD está conectado a tierra. El pot R3 aquí se utiliza para ajustar el contraste de la pantalla LCD.
Los pines TXD y RXD del microcontrolador están interconectados con el MAX232 en los pines 10 y 9, y los pines 7 y 8 están conectados al externos DB9 serial Conector que puede ser conectado a la computadora vía un cable serial. Pin 16 y 15 del MAX232 son Vcc y tierra respectivamente.
PIN 20,21 y 22 en las configuraciones de atmega8 la configuración para usar la referencia interna de voltaje 2.56 para el ADC incorporado de la viruta. Pin 1, que es el pin de reset es levantado con la ayuda de un resistor externo de k 10.
Ahora viene el a la corriente y voltaje detección de secciones, un divisor de tensión formado por dos resistores R6 y R7 escalas hacia abajo de la tensión variable del canal por lo que puede ser interconectado a la incorporado convertidor analógico a digital del atmega8. Esto está conectado a ADC0 (pin PC.0) del controlador.
Para la detección de la corriente utilizamos un resistor de desviación de 0,3 ohmios en serie del canal de alimentación variable, por lo tanto una tensión Vsense se desarrolla a través de la resistencia que se amplifica con la ayuda de no invertir amplificador de op-amp LM741. La ganancia se establece en 1.7 con la ayuda de resistencias R9 y R8.
La conexión A se conecta a después de la resistencia de derivación y conexión B al terminal positivo del LM338 de salida como se muestra en la figura último. El suelo de las dos secciones es común y es sumamente necesario para conectar la tierra de las secciones de ambos entre sí.