Flexcopter (24 / 30 paso)

Paso 24: ahora para la parte más difícil del cableado

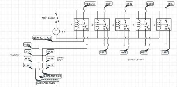
Aquí he mostrado un diagrama de cableado para el vuelo en modo de cambio entre el avión y quad. Voy a explicarlo siguiente si es difícil de entender.

Artículos Relacionados