Eléctrica bicicleta parpadeando cola-LED con 5V a gama de voltaje de entrada 48V (1 / 8 paso)

Paso 1: Esquemas de Rev

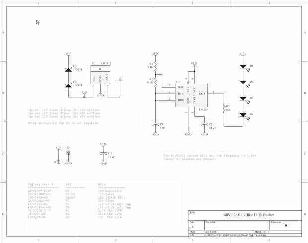
El Rev un diseño trabaja para 24V, 36V y 48V bicicleta eléctrica (no va a funcionar para bicicletas eléctricas que tienen internos convertidores DC-DC para generar bajos voltajes para funcionar la luz de la cola.. ver rev B para una solución a ese problema).  El diseño utiliza un regulador de voltaje LM7812 para generar una fuente de 12V para un circuito de temporizador LM555 que controla el parpadeo del LED.  Ya un LM7812 sólo puede manejar un voltaje de entrada máximo de 35V, el circuito debe estar configurado con diodos Zener.  Un sistema de 24V no necesario ningún Diodo zener y posiciones D5 y D6 en el circuito están cortocircuitadas utilizando un cable puente.  Un sistema de 36V requerirá un zener de 11V en la posición de D5 y un puente de alambre en la posición de D6.  Un sistema de 48V requerirá un Diodo zener de 11V en D5 y D6.

Artículos Relacionados

Un dados de LED con un PIC 16F84 (o 16F88)

Un dados de LED con un PIC 16F84 (o 16F88)

Se trata de una reedición de un proyecto que hice un número de años - fue pesca de arrastre de la web y descubrió que otros habían estado haciendo, así que decidí poner el detalle aquí en instructables.com - para que otros puedan beneficiarse.Muchos
Planificación de circuito: Crear una doble parpadeando el LED del circuito en Protoboard con temporizador 555

Planificación de circuito: Crear una doble parpadeando el LED del circuito en Protoboard con temporizador 555

El objetivo de este proyecto de bricolaje es llevarlo en todas las etapas del desarrollo del circuito que una empresa normalmente pasar cuando prototipos un producto; no sólo un simple "Cómo hacerlo."Esto incluye:Mapeo de la electrónicaDiseñar e
Efectos de la rueda de la bici WS2811 LED con Arduino

Efectos de la rueda de la bici WS2811 LED con Arduino

[TODO: insertar un video limpio o los cuadros de conducción real][Nota el sketch de Arduino funciona pero es trabajo en progreso, ver último paso enlace]Persistencia de los efectos de la visión (POV) le permite mostrar imágenes arbitrarias con pocos
Iluminación LED con Arduino

Iluminación LED con Arduino

Este es el último tutorial de LED. Esto le dará los bloques de construcción básicos necesitados para hacer cualquier cosa con LED. En la foto son todas las cosas que necesitas para este tutorial entero, que consiste en un par de proyectos de mini. La
Control de tira de LED con atenuador y circuitos de pulsos Audio

Control de tira de LED con atenuador y circuitos de pulsos Audio

Este es un circuito realmente pongo juntos basado en otro Instructable para el pulso a la música: Este Instructable me puso a pensar que es un poco una basura para tener tira LED sentado en el ferrocarril de imagen que puede ser utilizado cuando está
Bicicleta de bullnose LED y USB cargador de Dinamo

Bicicleta de bullnose LED y USB cargador de Dinamo

esta moto tiene un eje delantero de Dinamo que está conectado a las luces de LED.  Además hay una salida de energía a través de un conector USB hembra.  Usted puede cargar su teléfono, ipod, GPS o cualquier dispositivo con alimentación USB.En este di
Batería DIY: Energía una linterna de LED con cambio de bolsillo!

Batería DIY: Energía una linterna de LED con cambio de bolsillo!

En este artículo, le mostraré cómo reemplazar la típica 3 AAA batería común baratos linternas de LED con cambio de bolsillo de accionar la linterna en una pizca. La batería creada incluso cabrá derecho interior donde debe ir la batería normal! Todos
Matriz de LED con un presupuesto

Matriz de LED con un presupuesto

Una única pieza de mobiliario sin tener que gastar un montón de dinero?! Eso es lo que quería lograr en este proyecto. También no estoy completamente familiarizado con la programación y la electrónica y, como la mayoría de nosotros, creo que los LEDs
Bola que destella LED con agua salina

Bola que destella LED con agua salina

La bola de LED es un proyecto basado en la propiedad eléctrica de agua salina. Primero poner el cátodo del LED en una taza con agua salada, conecta el ánodo al polo positivo de una batería y también conectar un cable al polo negativo de la batería. S
Paraguas LED con Arduino

Paraguas LED con Arduino

el paraguas del LED con Arduino combina un paraguas, una matriz de LED 8 x 10 y un microcontrolador Arduino para crear un controlable, programable LED experiencia en la intimidad de su propio paraguas. Este proyecto fue inspirado por la cobertura elé
Anillo de dedo de pantalla con retroiluminación LED con foto transparencia

Anillo de dedo de pantalla con retroiluminación LED con foto transparencia

¿Quieres lucir esas fotos tuyas en una manera fresca? Seguro que haces.Encontré estos LED realmente agradable, cool blanco módulos de adafruit.com. Me encantan las fotos, plomo así que una cosa a otra y después de investigar para ver si hay anillos q
Alta potencia 3-bicicleta de luz LED

Alta potencia 3-bicicleta de luz LED

este instructable es creado y proporcionado por viajeros de la bicicleta de Edmonton sociedad (EBC) (http://edmontonbikes.ca , http://www.facebook.com/edmontonbikes , http://twitter.com/edmontonbicycle ), una organización sin fines de lucro que apoya
¿9 * 9 matriz de LED con Arduino

¿9 * 9 matriz de LED con Arduino

siempre deseó tener una pantalla más grande?Esta indicación se basa en una matriz de LED verde de 9 * 9. La pantalla es impulsada con una placa Arduino (Duemilanove en mi caso).¿Por qué utilizamos una matriz y no enciende para arriba los leds individ
Activado por voz de LEDs con Arduino

Activado por voz de LEDs con Arduino

Este proyecto es una extensión para el reconocimiento de voz con Arduino (leandro4b). Sin embargo, en lugar de usar 3 LEDs de color separados, usé un multicolor RGBW LED emisor de 4 canales. Tuve la oportunidad de trabajar en LED Engin el verano pasa