






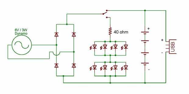
En este diseño, puede ser desconectado el USB estación de carga cuando no esté en uso. Cuando la carga de que los dispositivos se pueden guardar en el bolsillo o mochila.
La estación de carga tiene cuatro pilas recargables AAA con cable paralelo a USB hembra que proporcionan un almacenamiento de energía secundaria y una vez cargada puede alimentar un dispositivo USB independiente de la moto.
Puede utilizar la dinamo para encender las luces y el USB pero no simultáneamente. Un interruptor de palanca en el manillar de bullnose apaga las luces delanteras.