Paso 1:

Hacer un trabajo áspero al principio y colocar los componentes donde usted necesite ir.
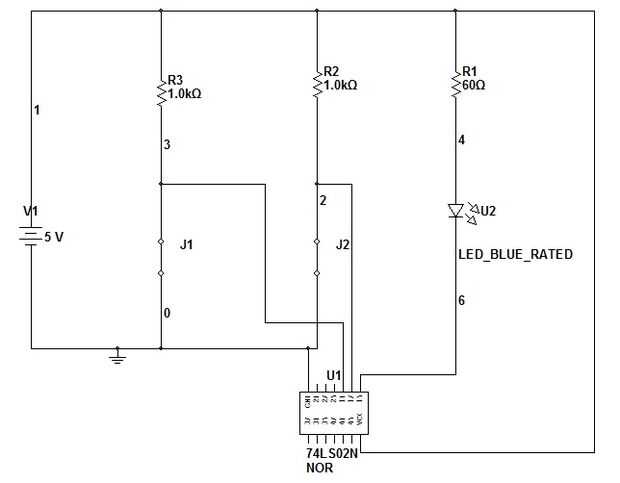
J1 y J2 en el esquema son los interruptores magnéticos de NO.
Hacer un trabajo áspero al principio y colocar los componentes donde usted necesite ir.
J1 y J2 en el esquema son los interruptores magnéticos de NO.