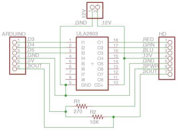
Paso 12: Construir Breakout Junta



Puerto de Arduino:
D3 - alambre al Pin Digital 3 en Arduino
D4 - cable con conector Digital 4 en Arduino
D5 - cable con conector Digital 5 en Arduino
GND - alambre al Pin GND de Arduino
5V - alambre al Pin de 5V de Arduino
SOUT - cable (Sensor de salida) al Pin Digital 2 en Arduino
Puerto de 12V:
12V - cable con fuente de 12V
GND - cable a tierra de la fuente de 12V
Puerto de HD:
Rojo - al alambre rojo de la cinta LED
GRN - alambre de la cinta de LED verde
BLU - cable azul cable de cinta LED
12V - alambre común de cinta LED
GND - cable a tierra los cables del sensor plato de
SPWR - cable a la fuente del sensor plato de
SOUT - cable de salida del sensor plato de