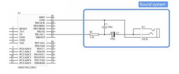
Convertir tu Arduino en un sintetizador de tabla de ondas de 4 voz con sólo unos pocos componentes... (2 / 5 paso)

Paso 2: Agregar los componentes a la placa

Comenzar con agregar los componentes a la placa como muestra la imagen. Si quieres el diagrama basado en instrucciones miran en la tercera diapositiva en este paso.

Artículos Relacionados

Arduinolyzer.js: Convertir tu Arduino en un analizador lógico

Arduinolyzer.js: Convertir tu Arduino en un analizador lógico

Cuando trabajaba en Intel como diseñador de hardware, utilicé un analizador lógico para depurar los chipsets y microprocesadores. Un analizador lógico es una máquina que se conecta a tu circuito y convierte lo que está sucediendo en el circuito en fo
Convertir tu Arduino Uno en una USB-HID-Mididevice

Convertir tu Arduino Uno en una USB-HID-Mididevice

mientras que un Arduino Uno basa controlador Midi para Ableton Live, me encontré con el proyecto HIDUINO (http://code.google.com/p/hiduino/). Le permite convertir su Arduino Uno (o cualquier otro dispositivo utilizando un chipset USB AVR como el 8u2)
Arduino voz / reconocimiento de voz con el módulo de Geeetech [Tutorial]

Arduino voz / reconocimiento de voz con el módulo de Geeetech [Tutorial]

Cómo: Arduino voz / reconocimiento de voz con el módulo de Geeetech [Tutorial]. Este video le mostrará cómo hablar con tu Arduino con el módulo de control de voz Geeetech (barato). Entonces puede utilizar el código para controlar un motor o hacer luc
Arduino Nano: Registrar información de GPS a la tarjeta MicorSD con Visuino

Arduino Nano: Registrar información de GPS a la tarjeta MicorSD con Visuino

Las tarjetas MicroSD son soporte de almacenamiento barato y fácil, y son muy convenientes para el almacenamiento de datos del sensor de Arduino . También hay una serie de barato disponibles Módulos de tarjeta MicroSD para Arduino, y ya hice Instructa
Reconocimiento de voz con Arduino

Reconocimiento de voz con Arduino

en este proyecto utilizo de BitVoicer características de reconocimiento de discurso (http://www.bitsophia.com/BitVoicer.aspx), una placa Arduino y un micrófono electret (https://www.sparkfun.com/products/9964) para controlar unos LEDs.Este proyecto e
Arduino Nano: Conectado directamente a pantalla de LCD 2 X 16 con Visuino

Arduino Nano: Conectado directamente a pantalla de LCD 2 X 16 con Visuino

Carácter las Pantallas LCD son muy comúnmente usado para proyectos de Arduino, para mostrar pequeñas cantidades de información textual. Los tipos más comunes son las pantallas directamente conectadas básicas y los con adaptador I2C. Ya postee Instruc
ArrDrownHo! -Fácilmente convertir AVR Arduino

ArrDrownHo! -Fácilmente convertir AVR Arduino

Cap ArrDrownHo! es el josepbesolillucia de Ardweeny y Boarduino y él está aquí para comandar sus buques AVR. ArrDrownHo! hereda los pros de ambos y las desventajas de ninguno. Recoger un chip AVR e iniciar prototipos al instante en un protoboard! ¿De
Sin ataduras, reconocimiento de voz y síntesis de voz con Arduino

Sin ataduras, reconocimiento de voz y síntesis de voz con Arduino

MOVI 'Mi propia voz interfaz' y es un escudo de Arduino con respaldo de kickstarter que hace muy fácil construir tus propios diálogos discurso a dispositivos de control en el IDE de Arduino. Este instructable rápida le muestra cómo empezar a configur
Arduino Nano: Conexión de interruptor de la foto (optoacoplador ranurado) con Visuino

Arduino Nano: Conexión de interruptor de la foto (optoacoplador ranurado) con Visuino

Optoacoplador ranurado (foto interruptores) es muy útiles, incluida a menudo en proyectos de Arduino para detectar la posición de objetos en movimiento, medir la velocidad de rotación, o movimiento lineal, la frecuencia de eventos y muchos otros.Son
Convertir un piano de juguete para trabajar como un dispositivo midi y utilizar con Synthesia

Convertir un piano de juguete para trabajar como un dispositivo midi y utilizar con Synthesia

objetivo de este proyecto:Convertir un piano de juguete barato para trabajar como un dispositivo midi y utilizar con Synthesia (http://www.synthesiagame.com/)También pueden utilizar otros programas que utilizan entradas de midi.Enfoque:Las teclas del
Mi línea de Arduino después de Robot!!!!!! -Con Sensor de reflectancia Pololu QTR-6A IR matriz

Mi línea de Arduino después de Robot!!!!!! -Con Sensor de reflectancia Pololu QTR-6A IR matriz

usé una Arduino Duemillanove con el ATMega 328. Propulsión es proporcionada por los dos paralaje Futaba Servos de rotación continua. Mi sensor es el Sensor de reflectancia Pololu QTR-6A IR matriz, y está todo apagado 4 baterías recargables de NiMH Du
NodeMCU ESP8266 de Arduino basado en tablero de tira 4 relé interruptor elegante WIFI con Raw TCP/IP, Mqtt y Android App

NodeMCU ESP8266 de Arduino basado en tablero de tira 4 relé interruptor elegante WIFI con Raw TCP/IP, Mqtt y Android App

El MCU de nodo es de código abierto ESP8266 base Wifi habilitada plataforma de Internet para todo el mundo. Lo que hemos hecho se crea una Junta de cuatro relés para él y la parte más cool es que junta también tiene una CA 100-240V a DC de 5V de alim
Control de dispositivos por comando de voz con arduino y android

Control de dispositivos por comando de voz con arduino y android

Este ible servirá preguntas como, cómo a los dispositivos de control por comandos de voz, reconocimiento de voz disponible en android.Todos los dispositivos androides viene con el reconocimiento de voz incorporado. Esto puede ser usado para convertir
Reconocimiento de voz con BitVoicer y Arduino

Reconocimiento de voz con BitVoicer y Arduino

el objetivo principal de este proyecto era probar el funcionamiento del reconocimiento de discurso de BitVoicer (http://www.bitsophia.com/BitVoicer.aspx). Para ello, diseñé un bosquejo simple control led que integrado con BitVoicer. Por supuesto pued