Paso 1: Funcionamiento y electrónica Intro






¿Cómo funciona un convertidor?
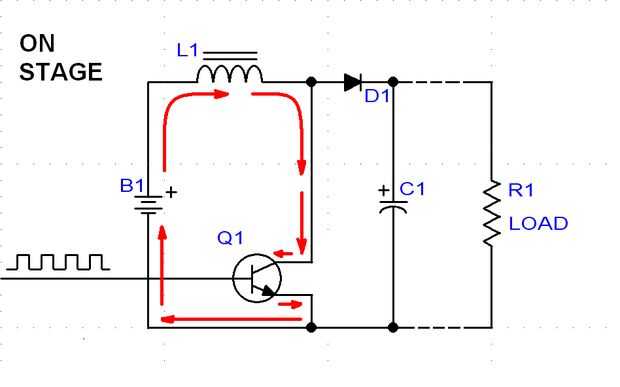
Principio básico:
Un convertidor trabaja en dos etapas y apagado. En la etapa de ON el interruptor de la semi está llevando a cabo y el corriente se acumula en el inductor produciendo un
campo electromagnético, este campo almacena energía. En la fase de apagado el interruptor de semi no realiza y se derrumba el campo electromagnético. Cuando el campo colapsa la energía almacenada
en no puede escapar a través del conmutador semi así sucesivamente a través del diodo y condensador y carga a un voltaje mucho mayor. Esto sucede varias
mil veces por segundo a través de los pulsos de la viruta de temporizador NE555 y el resultado es poder cargar un condensador de alto voltaje de una fuente de baja tensión.
Abajo hay algunas ayudas para aquellos de ustedes que no saben electrónica bien.
R-resistencia
VR Variable Resistor (también llamado un potenciómetro)
B-batería
Fuente de voltaje V
C-condensador
D-diodo
Inductor de L
U IC integrado circuito
Q-Transistor / IGBT
M-MOSFET
GND - Masa (terminal negativo de la batería para aplicaciones portátiles)
Algunos diagramas y tablas se muestran a continuación para ayudarle más.
_____________________________________________________________
VISITA mi sitio web para más proyectos: futuros sistemas experimentales