
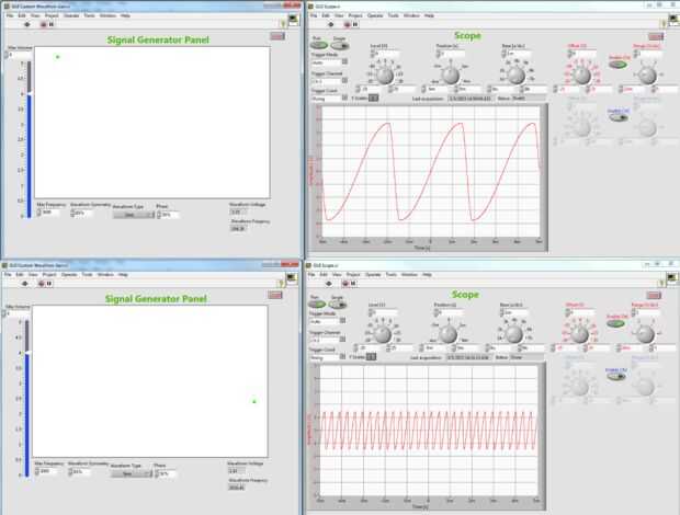
El objetivo de este proyecto es para enseñarle a controlar el descubrimiento análogo con LabVIEW. En particular, este proyecto demostrará cómo controlar el generador de forma de onda analógica descubrimientos. Usted puede controlar la frecuencia y amplitud mediante un cuadro de 2d. Dependiendo de donde usted haga clic dentro el cuadro 2d, se jugará una diferente frecuencia y amplitud. La intención era hacer un tono audible generador similar a este. Para escuchar los tonos que tocaba puede conectar auriculares o altavoces a jack de 3.5mm de Discovery analógico.
Detalles del generador de forma de onda
El proyecto de LabVIEW le permite generar
- Onda de seno
- Onda cuadrada
- Onda del triángulo
- Rampa para arriba onda
- Rampa de bajada de la onda
El proyecto le permite controlar los siguientes aspectos de las formas de onda
- Tipo de forma de onda
- Amplitud de frecuencia/volumen
- Desplazamiento de fase
- Desplazamiento de DC
Nota: Para este proyecto DC offset se establece en una constante de 0. Desplazamientos de DC potencialmente pueden dañar los altavoces/auriculares. Si no desea utilizar el proyecto para la generación de tonos audibles con los altavoces conectados, no dude en reemplazar el DC offset constante con un control.

para ver una vista previa del proyecto.