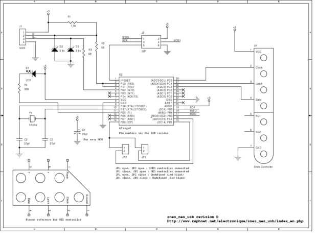
Paso 4: diseño




También se asume que sabes soldar los cables.
Si no puede leer la imagen, entra aquí:

Comience por juntar cada uno de los 4 cables de usb y cada uno de los 5 cables de snes. Suelde los extremos que pueden conectar en el protoboard.
Conectar el microcontrolador programado y empezar a conectar los componentes.












