Controlador de SNES USB (5 / 10 paso)

Paso 5: Oscilador + SNES

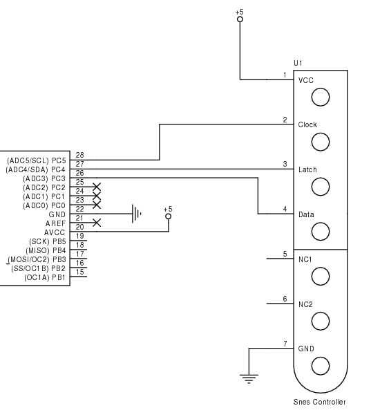
El oscilador se conecta a los pines 9 y 10. Se puede girar de manera y el trabajo.
Reloj de SNES se conecta al pin 28.
Cierre de SNES se conecta al pin 27.
Datos de SNES se conecta al pin 26.
Alimentación de 5V SNES se conecta a 5V en el chip y usb 5V.
Tierra SNES conecta con motivos en chip y usb tierra.

Artículos Relacionados

Hacer que un controlador de NES USB

Hacer que un controlador de NES USB

este tutorial combina un controlador original de NES, USB teclado, alambre y tacto pasa a un controlador de NES USB adecuado para uso con NES y arcade emuladores. La idea básica es que la unidad de controlador de teclado está instalada en el controla
Cómo configurar un controlador de NES USB con NESTOPIA en el PC

Cómo configurar un controlador de NES USB con NESTOPIA en el PC

NESTOPIA jugar no es lo mismo sin un controlador de NES USB. En este tutorial usted aprenderá cómo mapear botones y configurar el controlador de NES USB.
Controlador de NES USB Flash Drive

Controlador de NES USB Flash Drive

esta es la forma más sencilla para convertir un controlador NES vintage en un simple pendrive en un presupuesto y puede guardar las piezas originales, si alguna vez desea volver a su estado original de trabajo.Paso 1: Reunir las piezas el primer paso
Hacer un controlador de SNES Nintendo bluetooth; usando un BGP100 MSI

Hacer un controlador de SNES Nintendo bluetooth; usando un BGP100 MSI

si, como muchos, te gusta el gadget de bluetooth BGP100 para jugar bluetooth en teléfonos inteligentes y PDA, pero no como los botones y la sensación del controlador que viene con él, realojamiento del controlador en un controlador original de Ninten
Controlador de DJ USB DIY

Controlador de DJ USB DIY

Muchas personas están entrando a DJ ' s en estos días, ya sea como medio de expresión o una manera de ganar dinero extra. Me gusta pinchar ya que proporciona una experiencia más interesante, implicada e interactiva de escuchar música ya sea en compañ
Controlador de NES USB unidad Flash

Controlador de NES USB unidad Flash

esto es una manera fácil de transformar un controlador de Nes en un práctico pendrive. SIN SOLDADURA INVOLUCRADO!(Este es nuestro primer Instructable así imágenes e instrucciones de aficionado tal vez!)Nuevamente hemos hecho este instructable con mej
Crear un controlador de servos USB 6

Crear un controlador de servos USB 6

Hola, estaba buscando un controlador servo y encontre esto. Pensé que otros como me resultaría interesante para construir. Sin embargo, aún no trate de hacer esto si no tienes conocimiento en circuitboards del edificio. Bassicly es un modelo casero d
Cómo hacer un controlador de snes camiseta

Cómo hacer un controlador de snes camiseta

me sentía un poco friki, así que pensé que haría una camiseta que exprese mi amor por los videojuegos.  Pasó a tener un control de Super Nintendo en mi sorteo, así que me puse a trabajar y lo convirtió en algo deliciosamente geek.  Ahora puedes segui
Construcción de una controlador de Midi básico parte 1 - 3 fácil olla (potenciómetro) Arduino Uno efectos controlador Midi (serie-USB)... Rápido, fácil y barato!

Construcción de una controlador de Midi básico parte 1 - 3 fácil olla (potenciómetro) Arduino Uno efectos controlador Midi (serie-USB)... Rápido, fácil y barato!

Hola a todos,Soy relativamente nuevo en Arduino y así han estado luchando contra mi manera de hacer mis propios controladores midi. Hay una gran cantidad de información alrededor pero no pude encontrar un tutorial simple para un dispositivo tan simpl
SNES USB Flash Drive

SNES USB Flash Drive

un caso de simple memoria FlashPaso 1: Paso 1-Un-boxing Un tornillo su controlerPaso 2: Paso 2 - destriparPaso 3: Paso 3-pegadoPaso 4: Paso 4-enchufarPaso 5: Paso 5-pegar es todoPaso 6: Paso 6: se realiza Atornillar en y listo!Paso 7: Extra!Algunas c
Hackear Pads SNES a hacer controladores de estilo Arcade de Retropie

Hackear Pads SNES a hacer controladores de estilo Arcade de Retropie

Hi y gracias por tomarte un tiempo para leer mi tutorial increíble. El cumpleaños de mi hermanita es el 25 de febrero, está convirtiendo 29 y supongo que empezó a sentir un poco viejo porque ella me pidió dar una de mi Super Nintendo y un cartucho de
Máquina de juego Retro de frambuesa Pi cero R2D2!

Máquina de juego Retro de frambuesa Pi cero R2D2!

El cuerpo del proyecto es el usb R2D2 vacío, escogido encima de mi local sainsburys pero todavía está disponible de eBay para alrededor de £12El cerebro del proyecto es la frambuesa pi cero, £5 de fuentes oficiales como pihut o pimeroni y de eBay par
Instalación de RetroPie/EmulationStation en frambuesa Pi 2 modelo B + (emulador de Playstation 1 incluido!)

Instalación de RetroPie/EmulationStation en frambuesa Pi 2 modelo B + (emulador de Playstation 1 incluido!)

ATENCIÓNEsta guía fue escrita para el lanzamiento de RetroPie 2.0 +. He escrito a una nueva guía de RetroPie 3.0 + para todos los modelos incluyendo el nuevo frambuesa Pi cero frambuesa Pi.Haga clic aquí para ser redirigido a la guía actualizada.Obje
Cómo convertir tu PC (u otro dispositivo) en un Arcade Retro con Lakka

Cómo convertir tu PC (u otro dispositivo) en un Arcade Retro con Lakka

Si usted está buscando una divertida manera de usar una PC vieja, Lakka puede convertirlo en una increíble máquina de juegos retro. Este programa de fácil instalación no requiere de ningún conocimiento avanzado de Linux, y usted puede incluso utiliza