Paso 6: Construcción de los circuitos necesarios: tarjeta SD

Sólo un puñado de Junta propulsor fuera de Propellerpowered tienen un adaptador de SD.
¡No te preocupes! Hay varias maneras de obtener o crear este circuito fácilmente!
Necesitarás:
- 1 - SD adaptador toma
- 4 - 10K resistencias
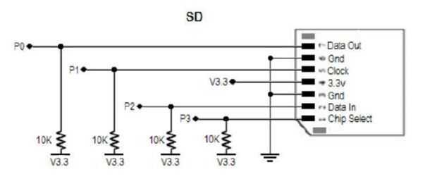
La imagen de arriba proporciona un esquema del circuito de SD de una manera que le permitiría utilizar un repuesto "Micro al adaptador del SD" de sí mismo como el adaptador. Compruebe hacia fuera este Instructable otros, "Arranque de tarjeta SD de bricolaje barato" una manera de crear el circuito de SD de partes que probablemente ya.
Naturalmente, también puede comprar una versión tablero del adaptador SD desde Parallax.com. También hay adaptadores muy baratos que pueden ser fuente de China (vía Ebay) que también son compatibles.
En nuestro Micromite compañero minicomputadora, puede omitir este circuito para ahora, pero tan pronto como usted desea guardar, carga o BRUN un nuevo programa de volver a esta página. El Micromite sí mismo es capaz de sostener un programa BASIC en memoria mientras la cámara esté apagada, así que si está esperando en la oficina de correos para ofrecerte una de las otras opciones, sigue leyendo!
Por cierto, esto sería un buen momento para buscar una 2GB (o menos) SD tarjeta y preparar asegurándose de que es con formato (fat32) y contiene los ejemplos básicos del programa, requiere archivos MDEy extra. Archivos BIN.