Paso 2: El propulsor de la paralaje

El propulsor de la paralaje:
La viruta de propulsor P8X32A de paralaje es un notable diseño de Chip Gracey de Parallax, inc.
Especificaciones de la hélice:
- 32K RAM
- 8 NÚCLEOS "COGS"
- 32 PINES DE ENTRADA-SALIDA
"El propulsor microcontrolador está diseñado para realizar múltiples tareas simultáneamente y sin necesidad de interrupciones o los dictados de un sistema operativo a bordo.
Cada uno de ocho núcleos simétricos de P8X32A de la hélice puede acceder a todos los 32 pines de I/O y otros recursos del sistema compartidos. Cada núcleo cuenta con su propia memoria y un conjunto de hardware configurable para crear, lanzar y volver a crear periféricos definidos por software según sea necesario."
Debido a que es el diseño multi-core, la hélice es ideal para utilizar en nuestro proyecto como una entrada-salida, Video, controlador de Audio. Si usted fuera un usuario de Commodore 64 en su día, se podría pensar la hélice tanto como el SID, VIC, 1541, controlador de teclado todo en uno! (No es el avance de la tecnología sorprendente!)
Diseño de la hélice fue lanzado recientemente bajo un código abierto, licencia GPL V3. Esta es la primera vez que un microcontrolador comercial ha sido liberado como código abierto!
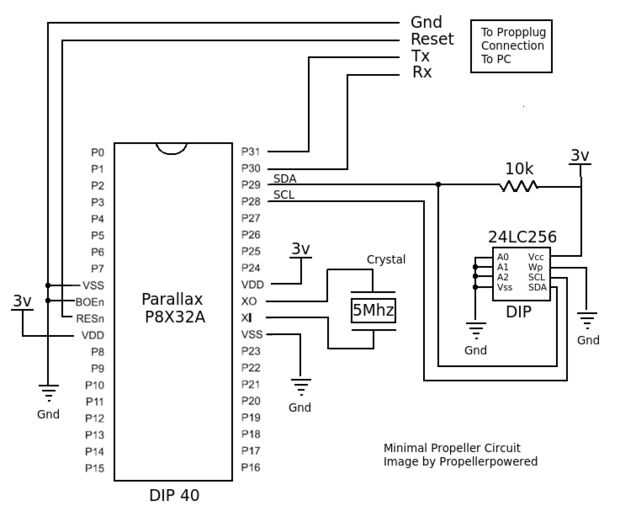
Cuando se enciende la viruta de propulsor, no contiene ningún código en la memoria. Recibe su programa de un conectado EEPROM de 32K. (Hélice más tablas contienen el circuito mínimo de propulsor que se muestra en la imagen).
Si usted está construyendo su Minicomputadora de compañero Micromite desde cero, usted querrá asegurarse de que la Junta que está usando contiene un USB programación circuito (hacen más), u obtener la hélice "propplug" desde Parallax.com.