Paso 4: O puerta







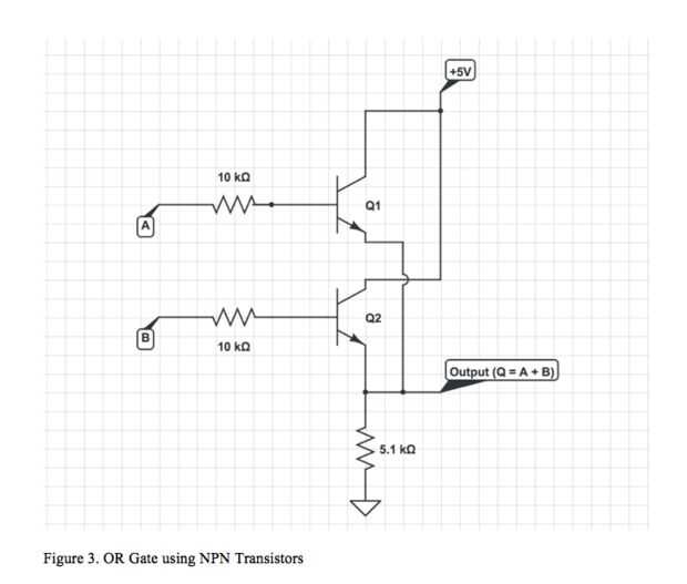
La puerta deseada es la puerta OR y su símbolo y tabla de verdad se muestran en las figuras 1 y 2 respectivamente. La resistencia-Transitor Logic (RTL) para el inversor se muestra en la figura 3, y fue construido en un protoboard para observar los resultados. También, vamos a probar las cuatro entradas posibles y observar sus salidas correspondientes, para garantizar que RTL construido es de hecho correcto. Para la parte del tablero, entrada 1 (A) está representado por el cable blanco, entrada 2 (B) está representado por el hilo azul y la salida está representada por el estado del LED (encendido o apagado). Finalmente, mirando la salida del circuito construido y la tabla de verdad puerta OR, podemos concluir que la configuración de circuito RTL es en efecto correcta.