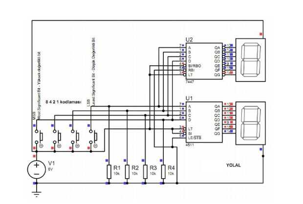
Paso 3: Circuito genérico para ejecutar display de siete segmentos

Antes de comenzar a diseño VLSI, necesitamos hacer botones, resistencias, y otros productos básicos incluyen circuito para probar cómo se muestra el diseño.
Según el cuadro anterior, hay dos tipos de pantalla y controlador puede ser visto. En mi proyecto, elegí cátodo común a diseñar. Si lo desea, puede elegir ánodo común, si por lo tanto, usted necesita controlar el bajo nivel de lógica en vez de alto nivel de lógica como yo. Esto depende de su diseño.