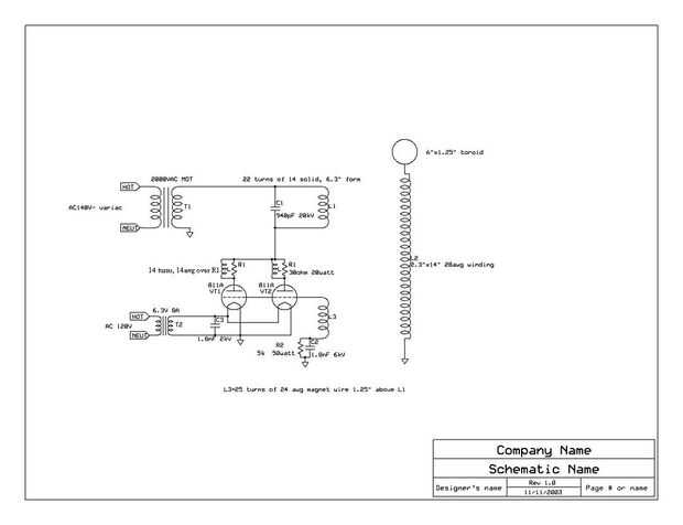
Paso 4: Nuestro esquema de bobina de Tesla


. Algunas cosas que debe tener en cuenta son que he encontrado que debe hacer un poco más grande que la bobina primaria (L1) pero permiten que aprovecharse cada otra vuelta. También, me he dado cuenta que un poco más grande (~ 2nF) condensador de tanque (C1) funciona mejor para mi bobina, pero esto podría variar. También, si eres bastante aventurero, usted puede considerar el uso un desplazador de nivel doble de la tensión de los tubos 811A 4000VAC RMS y luego utilizar un circuito staccato (algo que usted debe considerar incluso sin el cambiador de nivel) para mantener los tubos de corriente fría. Sin embargo, puesto que este es un proyecto un poco más avanzado no cubriré lo aquí (¡ todavía!).