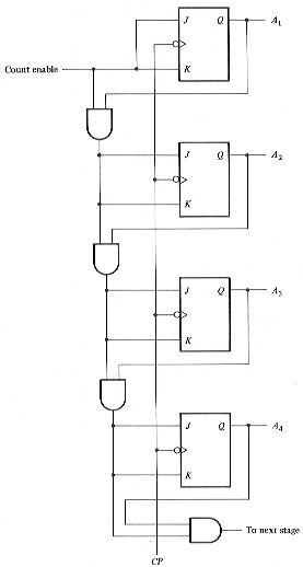
Paso 5: Binario contando (el contador de programa)


Si conectas la salida de un JK flip flop a otro y en cascada a ellos el resultado es un contador binario que actúa como un odómetro. Esto es porque como el primer flip JK flop en la secuencia va alta y luego baja, que provoca el otro en la secuencia. Frecuencia del reloj (Cuántas veces enciende y apaga un segundo) se reduce a la mitad con cada sucesiva adición de flip flop JK. Por esta razón un flip-flop JK es también llamado un circuito se dividen en dos. El patrón resultante de cuatro fracasos de tirón de JK será 0000, 0001, 0010, 0011, 0100, etc....
Para el equipo simple como sea posible en este Instructable, sin embargo, hay algunas funciones más que usted necesita para hacer operativo el equipo. En orden para el ordenador para poder reiniciar su programa tiene la capacidad de borrar o poner todas sus salidas a cero. El contador de programa también tiene la capacidad de cargar una palabra binaria del código op JMP que permite al ordenador pasar a una cierta instrucción. Las puertas lógicas se utilizan para lograr este objetivo. Afortunadamente para nosotros binario contadores vienen en prácticas fichas con todas las funciones que usted necesita.