Paso 4: Construcción de la tarjeta controladora



Siga el esquema y construir la placa sin embargo usted elige. Coloqué los chips controladores en el centro del tablero y uso la izquierda para sujetar los transistores que controlan la corriente para cada capa del cubo y utilizan el lado derecho para sujetar los conectores que van desde el controlador de chips a los cátodos de las columnas de LED.
Encontré un viejo ventilador de ordenador 40mm con un conector molex hembra para enchufarlo a una fuente de alimentación de computadora. Esto fue perfecto. Una pequeña cantidad de flujo de aire a través de la viruta es útil y ahora tengo una forma fácil de proporcionar 5 voltios a los chips de controlador y el Arduino sí mismo.
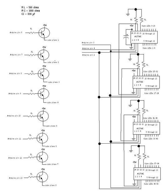
En el esquema, RC es la resistencia limitadora actual para todos los LEDs conectados a cada A6276EA. He usado 1000 ohmios porque proporciona 5 miliamperios para el LED, de suficiente luz. Estoy usando alto brillo, no Super Brite LED, por lo que la corriente de drenaje es más baja. Si todos los 8 LEDs en una columna se encienden a la vez, es solo 40 miliamperios. Cada salida de la A6276EA puede manejar 90 miliamperios, así que estoy bien dentro de la gama.
RL es el resistor conectado a la lógica o señal conduce. El valor real no es muy importante como existe y no es demasiado grande. Estoy usando 560 ohmios porque tenía un montón de ellos disponibles.
Usé un transistor de potencia capaz de manejar hasta 6 amperios para controlar la corriente que va a cada capa del cubo. Es excesivo para este proyecto, ya que cada capa del cubo sólo consumirá 320 miliamperios con todos los LEDs iluminados. Yo quería espacio para crecer y puede utilizar la tarjeta controladora para algo más grande más adelante. Utilizar cualquier transistor de tamaño adapta a sus necesidades.
Condensador 330 uF a través de la fuente de tensión está allí para ayudar a suavizar cualquier fluctuaciones de voltaje menor. Desde que estoy usando una fuente de alimentación de ordenador viejo, esto no es necesario, pero lo dejé en por si alguien quiere usar un adaptador de pared de 5 voltios para alimentar su cubo.
Cada viruta de regulador de A6276EA tiene 16 salidas. No tengo ningún otro conector adecuado soldado lleva a algunos sockets de 16 pines IC y los usará para conectar la tarjeta controladora al cubo. También cortar un zócalo del IC por la mitad y utiliza para conectar los 8 cables que conectan los transistores a las capas del cubo.
Corté unas 5 pulgadas del extremo de un cable de disquete viejo utilizar el conector para el Arduino. El cable del floppy es 2 filas de 20 pernos, los huesos desnudo Junta tiene 18 pines. Se trata de una forma muy barata (gratis) para conectar el Arduino a la Junta. Me tiró el cable de cinta separados en grupos de 2 hilos, había pelado los extremos y los soldados juntos. Esto le permite conectar el Arduino en cualquier fila del conector. Siga el esquema y soldar el conector en su lugar. No te olvides de la soldadura de los 5 voltios y tierra lleva el conector alimentar el Arduino.
Tengo la intención de utilizar este tablero de regulador para otros proyectos, por lo que a mi me funciono muy bien el diseño modular. Si usted quiere alambre las conexiones, que está muy bien.