Paso 3: Esquema del circuito de apoyo

Lo circuitos y el cableado soporte se muestra en la segunda página de esquema.
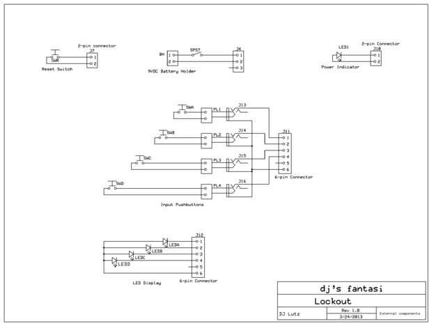
Ahora, hablemos de los circuitos de apoyo. Se utiliza un soporte de la batería de 9 voltios para alimentar el circuito. Tierra está conectada directamente a la placa de circuito. Alimentación está conectada a un interruptor SPST (o equivalente) y luego a la placa de circuito. En el circuito es una conexión para un indicador LED. Es la resistencia limitadora actual de LEDs en el tablero
Las luces indicadoras están en un tablero separado, conectado por medio de cinco cables a la placa de circuito principal. Los LEDs están conectados ánodo común. Es decir, su conexión con la fuente de alimentación positiva es compartida a través de un resistor limitador actual común. Tenga en cuenta esta práctica no es recomendada, pero como en el funcionamiento normal de este circuito que sólo un LED se enciende en un momento, es aceptable.
Los pulsadores están conectados a la Junta por medio de clavijas y conectores y un cable de cinco hilos conexión.