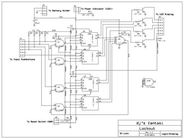
Paso 2: Esquema de lógica principal

Aquí está el esquema. Nota Existen cuatro circuitos secundarios idénticos, uno para cada jugador/equipo. Cada chip de lógica tiene un 0.1uF condensadores entre Vcc y la tierra y allí nos entrada un condensador de 47uF en el poder. ("Vcc" es la alimentación positiva del circuito. Este circuito es alimentado por una batería de 9VDC, por lo tanto Vcc es 9VDC).
En el lado de salida, hay cuatro transistores NPN para manejar los LEDs.