Célula de carga de Arduino / escala (2 / 4 paso)

Paso 2: El amplificador

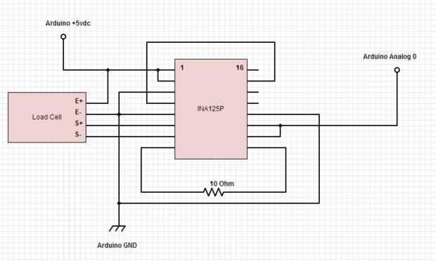
Para aumentar la salida de la célula de carga para que el Arduino lo puede leer en una entrada analógica, necesitaremos un amplificador de INA125P y una resistencia de 10 ohm. Conectar al Arduino como se indica en el esquema adjunto.

Hoja de datos: http://www.ti.com/lit/ds/symlink/ina125.pdf

Artículos Relacionados

Estación de carga J1772 Arduino EV

Estación de carga J1772 Arduino EV

Basado en el proyecto abiertoEVSEOpenEVSETienda OpenEVSEArduino recarga de vehículos eléctricos "Electric vehículo suministro de equipos" (EVSE) implementar el protocolo J1772.J1772 se utiliza en la actual generación de vehículos eléctricos y Pl
Portátil automático Start/Stop de carga (usando Arduino, escudo de Yun y ESP8266)

Portátil automático Start/Stop de carga (usando Arduino, escudo de Yun y ESP8266)

Estoy trabajando fuera de mi país y portátil es una gran ayuda para que me conecte a mi familia y amigos y hacer todas mis materias computación, pero siempre me llegó a través de ejecutar batería baja y aún peor en modo crítico nivel o reservado cuan
Hacer su balanza hackear usando arduino y hx711

Hacer su balanza hackear usando arduino y hx711

Estoy trabajando en una aplicación donde tengo que convertir el peso de una persona para calcular y utilizar otro parámetro.Así que comencé a buscar en internet y encontrar muchos tutoriales usando la célula de carga y arduino.Comencé abriendo una bá
Reciclaje de SmartCityZen con HX711

Reciclaje de SmartCityZen con HX711

Reciclaje de SCZ es un sistema para supervisar la producción de residuos. El propósito del sistema es aumentar la conciencia de cómo nuestro comportamiento diario tiene impacto en el planeta y el medio ambiente.Lo instalé en mi casa y en sólo dos día
Arduino Nano y Visuino: medida de peso con HX711 carga celular amplificador y el ADC

Arduino Nano y Visuino: medida de peso con HX711 carga celular amplificador y el ADC

HX711 Cargar celular amplificador y el ADC hacen muy fácil de construir su propia escala con Arduino. Con la ayuda de Visuino la tarea es tan fácil que usted puede completar en solo un par de minutos.En este instructable, mostraré cómo conectar la ce
Probador de la célula Solar de Arduino

Probador de la célula Solar de Arduino

cuando estoy construyendo arbustos Solar y otras creaciones de energía solar, a menudo limpian las células de varios dispositivos estándares tales como lámparas solares de jardín o de seguridad. Pero estas células raramente están etiquetadas como su
CONTROLADOR de carga SOLAR de ARDUINO (versión 2.0)

CONTROLADOR de carga SOLAR de ARDUINO (versión 2.0)

Hace un año, comencé a construir mi propio sistema solar para proporcionar energía para mi casa. Inicialmente hice un regulador LM317 base y un metro de la energía para el sistema de vigilancia. Finalmente hice controlador de carga PWM. En abril de 2
Inalámbrico digital escala

Inalámbrico digital escala

Esta escala es inalámbrico. Puede ser útil cuando no se puede utilizar una escala normal, debido al clima exterior, o si no quieres espantar a los pájaros u otras criaturas. Con esta escala se puede pesar. En este instructable, usé una célula de carg
Internet con escala

Internet con escala

Imagínese si usted nunca tuvo que preocuparse de quedando sin cosas que te gusten, porque un nuevo paquete de ellos llegaría justo antes de que lo hiciste!Esa es la idea de NeverOut - el internet con escala. Guardar algo en él y nunca acaban, porque
RepRap carga celular Z-sonda

RepRap carga celular Z-sonda

He estado mirando agregar sondeo Z a mi i3 Prusa durante un tiempo. Baje un contacto Z sonda parecía innecesariamente doloroso y la sonda, en el mejor, aproximado de la altura de la punta de la boquilla. Resistencias sensores de fuerza son otra opció
Escala exacta de la cerveza

Escala exacta de la cerveza

Paso 1: Cómo construirlo. En primer lugar, necesita un par de cosas. Aquí está una lista.1. placa Arduino2. AD620 En amperios3. WH-B05 escala de Amazon4. ICL7660 Convertidor de voltaje5. varios casquillos electrolíticos6. Misc resistencias7. Hook-up
Arduino líquido/polvo exacto sistema de dispensador

Arduino líquido/polvo exacto sistema de dispensador

Objetivo: Hacer algo para hacer alguna medición, ya sea para cocinar o de otra manera. No le líquidos y polvos en el mismo panel de control. Utiliza un Arduino para ejecutar el sistema.Nota: Ninguno de nosotros (los diseñadores) tienen todo eléctrico
Escala de monitoreo de la nieve

Escala de monitoreo de la nieve

Nevadas a menudo sólo se miden por su profundidad en pulgadas (o centímetros). Pero hay otros factores importantes a considerar. La densidad, la temperatura y la forma de cristal todo grandemente afectan cómo la nieve se comporta al intentar trabajar
Uno mismo-equilibrio monopatín/segw * y proyecto Arduino Shield

Uno mismo-equilibrio monopatín/segw * y proyecto Arduino Shield

Gescudo de Arduino de propósito general para autoequilibrarse máquinas.¿Por qué hacen?Previamente hice un Instructable en 2010 sobre cómo construir un monopatín uno mismo-equilibrio.Hay > 500 comentarios en este y muchos expresan creación de confusió