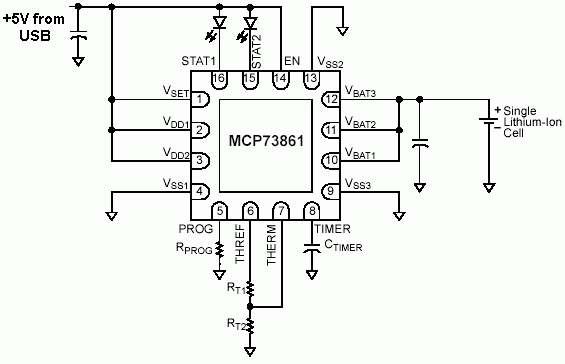
Cargador de batería del Li-ion USB

este es un cargador para baterías de iones de litio que toma su energía del puerto USB de un ordenador.

Utiliza el MCP73861 o MCP73863 del Li-ion batería cargador chip fabricado por Microchip.

Artículos Relacionados

Sostenedor de batería del Li-ion 18650 con cables

Sostenedor de batería del Li-ion 18650 con cables

el objetivo es crear un soporte de batería permanente para una 18650 batería recargable del Li-ion con material de uso común o reciclado. Esto permitirá utilizar una batería sin pestañas a través de los cables y un conector JST.Paso 1: Material y pre
Cargador de batería del ciclo

Cargador de batería del ciclo

Tal vez tu ciclo va en las colinas, tal vez haya un Apocalipsis zombie, donde combustible y energía son lo más importante, usted da vuelta a con su ciclo. Ciclo, uno de los mayores inventos del hombre, nos muestra cómo algo tan simple puede lograr ma
LED de luz con cargador de batería del teléfono celular

LED de luz con cargador de batería del teléfono celular

un rescatado 5 m m llevados junto con un resistor de 68OHMS cuando conectado a un cargador con salida de 5 voltios produce lo que se muestra a continuación... remató con una pirámide hecha de cristal de una tienda de feng shui. se necesita una luz,,,
Cargador de batería de iones de litio DIY

Cargador de batería de iones de litio DIY

Las baterías juegan un papel importante en cualquier proyecto/productos de pilas. Las baterías recargables son caras, como tenemos que comprar el cargador de la batería, junto con las baterías (hasta ahora), en comparación con el usar y tirar las pil
Circuito de cargador de batería Li-Ion con IC 555

Circuito de cargador de batería Li-Ion con IC 555

El siguiente post explica un sencillo pero preciso Li-Ion batería cargador circuito utiliza el ubicuo IC 555.Una batería de ion-litio como todos saben las necesidades siempre bajo condiciones controladas, si está cargado de medios ordinarios podrían
18650 cargador de batería, transformada desde la cuna de carga Galaxy S

18650 cargador de batería, transformada desde la cuna de carga Galaxy S

es un trabajo sencillo para transformar Credle de carga de teléfono inteligente a un cargador de baterías 18650 Li-Ion como siguiendo los pasos.1. Retire la etiqueta de la parte posterior y 2 tornillos con el destornillador Philips #1.2. Abra la tapa
Microcontrolador basado en cargador de batería elegante

Microcontrolador basado en cargador de batería elegante

El circuito lo que estás a punto de ver es un cargador de baterías inteligente basado en ATMEGA8A con corte automático. Diferentes parámetros se muestran a través de una pantalla LCD durante los Estados de carga distintos. También el circuito hará so
Estado de ánimo-Cube (luz del humor del Li-ion)

Estado de ánimo-Cube (luz del humor del Li-ion)

En la sección de electrónica de Instructables.com todos parecen mostrar gran cariño por LEDs. Después de leer muchos artículos, pensé que sería un buen momento para contribuir a la plétora de proyectos LED. Presentando... Estado de ánimo-Cube! Este "
Reparar el cargador de batería vehículo

Reparar el cargador de batería vehículo

ACTUALIZACIÓN: Publicado originalmente este tutorial para reparar mi C3 Bosch cargador de la batería del vehículo, pero 2 días después de la publicación de este instructivo, un amigo mío me llamó que tuvo el mismo problema con otro tipo de cargador,
DIY USB cargador de batería para teléfono celular baterías de iones de litio de un cargador de ratón inalámbrico

DIY USB cargador de batería para teléfono celular baterías de iones de litio de un cargador de ratón inalámbrico

esta una buena manera de cargar pilas de celular sin un teléfono celular, más teléfono celular AC adaptadores no cobrará una batería eficiente ya que son alrededor de 5 voltios DC el teléfono sí mismo tiene el cargador de baterías en su interior. Per
Batería herramienta inalámbrica USB cargador de

Batería herramienta inalámbrica USB cargador de

Hay un montón de cargadores de baterías de alta capacidad disponibles para comprar y sin duda son una buena idea. No desean ser capturados con un teléfono muerto durante un apagón. Sin embargo en lugar de comprar uno de estos dispositivos ¿por qué no
1 célula LiPo / Li-ion cargador de batería de CC & CV

1 célula LiPo / Li-ion cargador de batería de CC & CV

Hola. Me gustaría mostrarle chicos la más pequeña y simple célula del Li-Ion & LiPo cargador batería con todas las funciones necesarias. Detalle como sigue. Descripción de la especificación. La serie XC6802 es un cargador lineal IC de corriente const
Baterías de iones de litio de las baterías del ordenador portátil del salvamento

Baterías de iones de litio de las baterías del ordenador portátil del salvamento

Siempre tengo curiosidad por saber lo que está dentro de cualquier dispositivo. Recientemente quería saber sobre el tipo de batería dentro de la batería de la laptop después que he visto un video en YouTube, creo que es un vídeo de kipkay sobre reviv
USB cargador de batería alimentado

USB cargador de batería alimentado

en este instructable va a hacer un tutorial sobre la construcción de su propio cargador de batería portátil para cargar todos sus dispositivos USB!Paso 1: Obtener piezas de -clip de batería de 9v (dos es mejor, pero uno funciona bien) + baterías (rec